×
Genuine VN Kawasaki Parts delivered quickly!
home
VN1500B4 VN15SE 1990 EUROPE UK AR FG FR IT NR SD ST
CYLINDER HEAD
20 products
CYLINDER HEAD COVER
18 products
CYLINDER/PISTON
16 products
AIR FILTER
36 products
MUFFLER
27 products
VALVE
18 products
CAMSHAFT/TENSIONER
21 products
CRANKSHAFT
23 products
CLUTCH
36 products
TRANSMISSION
26 products
CHANGE DRUM/SHIFT FORK
10 products
GEAR CHANGE MECHANISM
17 products
CRANKCASE
42 products
ENGINE COVER
34 products
FUEL PUMP
2 products
CARBURETOR
49 products
CARBURETOR PARTS
42 products
OIL PUMP
29 products
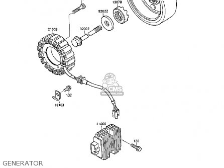
GENERATOR
10 products
IGNITION COIL
26 products
STARTER MOTOR
28 products
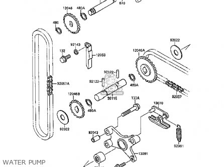
WATER PUMP
24 products
RADIATOR
49 products
FRONT BEVEL GEAR
78 products
DRIVE SHAFT/FINAL GEAR
53 products
FRAME
15 products
FRAME FITTING
5 products
BATTERY CASE
39 products
SWING ARM
11 products
SUSPENSION/SHOCK ABSORBER
5 products
STEP
31 products
FENDER
12 products
STAND
4 products
TIRE
20 products
FRONT HUB
17 products
REAR HUB
17 products
BRAKE PEDAL
14 products
FRONT MASTER CYLINDER
25 products
FRONT CALIPER
18 products
REAR MASTER CYLINDER
21 products
REAR CALIPER
20 products
HANDLEBAR
18 products
FRONT FORK
34 products
CLUTCH MASTER CYLINDER
24 products
FUEL TANK
31 products
SEAT
7 products
METER
31 products
CABLE
5 products
SIDE COVER
12 products
HEAD LAMP
26 products
TAIL LAMP
18 products
TURN SIGNAL
13 products
ELECTRICAL EQUIPMENT
23 products
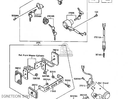
IGNITION SWITCH
29 products
TOOL
18 products
LABEL
25 products
Publications
0 products
Model Identification
0 products
up
popular products
211301003
CAP,SPARK PLUG"LD05F"
Kawasaki
920251818
SHIM,T=0.15
Kawasaki
110091648
GASKET,GEAR CASE
Kawasaki
920551371
RING-O,110.5X2.5
Kawasaki