×
Genuine KZ Kawasaki Parts delivered quickly!
home
KZ1000P6 POLICE 1000 1987 USA
SIDE COVER/CHAIN CASE
16 products
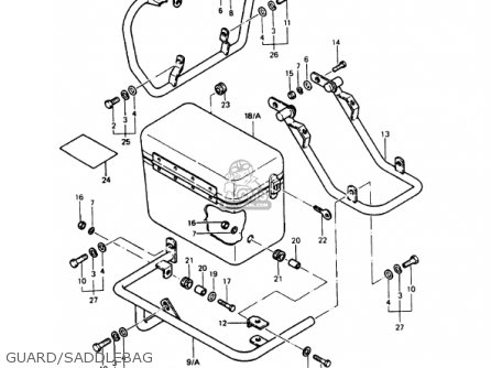
GUARD/SADDLEBAG
29 products
HEAD LAMP
27 products
TAIL LAMP
27 products
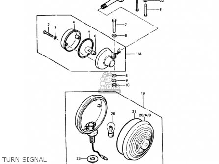
TURN SIGNAL
32 products
ELECTRICAL EQUIPMENT
46 products
IGNITION SWITCH
6 products
CARBURETOR
35 products
CARBURETOR PARTS
35 products
TOOL
19 products
COWLING
43 products
FRAME
8 products
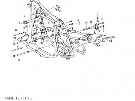
FRAME FITTING
20 products
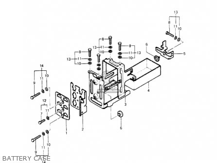
BATTERY CASE
14 products
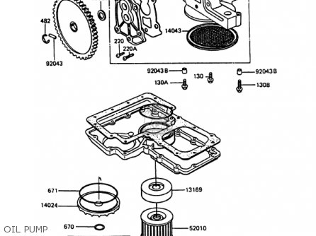
OIL PUMP
25 products
SWING ARM/SHOCK ABSORBER
26 products
FOOTREST
7 products
FENDER
29 products
STAND
13 products
SIREN/POLE LAMP (OPTION)
9 products
TIRE
7 products
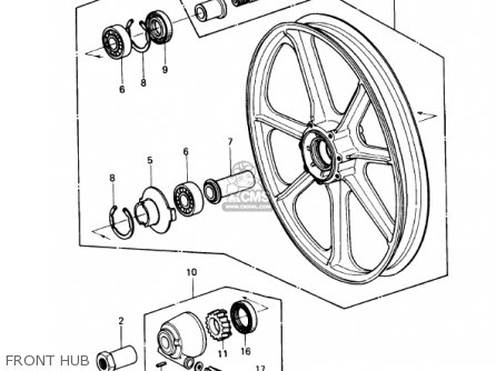
FRONT HUB
17 products
GENERATOR
8 products
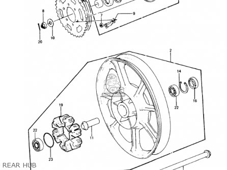
REAR HUB
23 products
IGNITION COIL
19 products
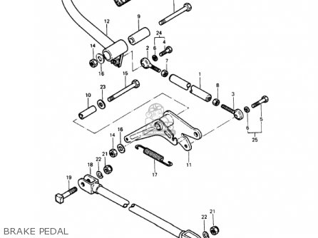
BRAKE PEDAL
25 products
STARTER MOTOR (KZ1000-P6/P7/P8)
35 products
FRONT MASTER CYLINDER
30 products
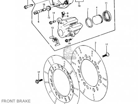
FRONT BRAKE
18 products
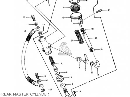
REAR MASTER CYLINDER
23 products
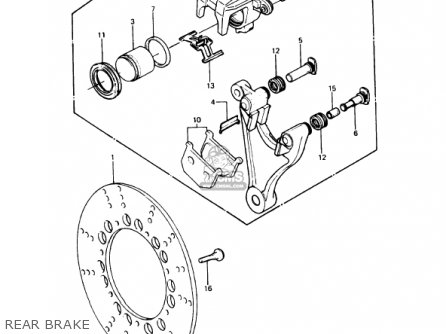
REAR BRAKE
16 products
CYLINDER HEAD
18 products
CYLINDER HEAD COVER
10 products
CYLINDER/PISTON
15 products
AIR FILTER
24 products
MUFFLER
20 products
HANDLEBAR
27 products
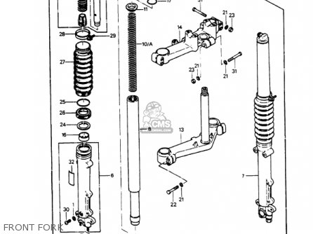
FRONT FORK
34 products
VALVE
33 products
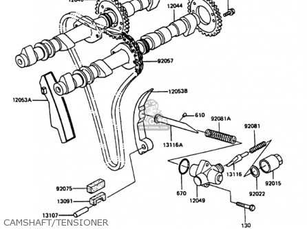
CAMSHAFT/TENSIONER
20 products
FUEL TANK
36 products
CRANKSHAFT
2 products
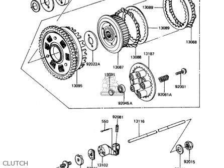
CLUTCH
22 products
TRANSMISSION
34 products
CHANGE DRUM/SHIFT FORK
16 products
GEAR CHANGE MECHANISM
24 products
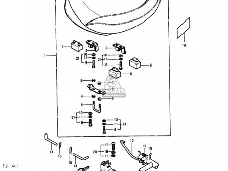
SEAT
21 products
CARRIER
24 products
METER
31 products
CABLE
10 products
CRANKCASE
34 products
CRANKCASE BOLT PATTERN
3 products
ENGINE COVER
33 products
BREATHER BODY/OIL PAN
11 products
PUBLICATIONS
9 products
up
popular products
12037007
SHIM,T=2.30
Kawasaki
920811589
SPRING,CHANGE PEDAL R
Kawasaki
920371536
CLAMP,MUFFLER
Kawasaki
920631103
JET-MAIN,#A130
Kawasaki