×
Genuine KZ Kawasaki Parts delivered quickly!
home
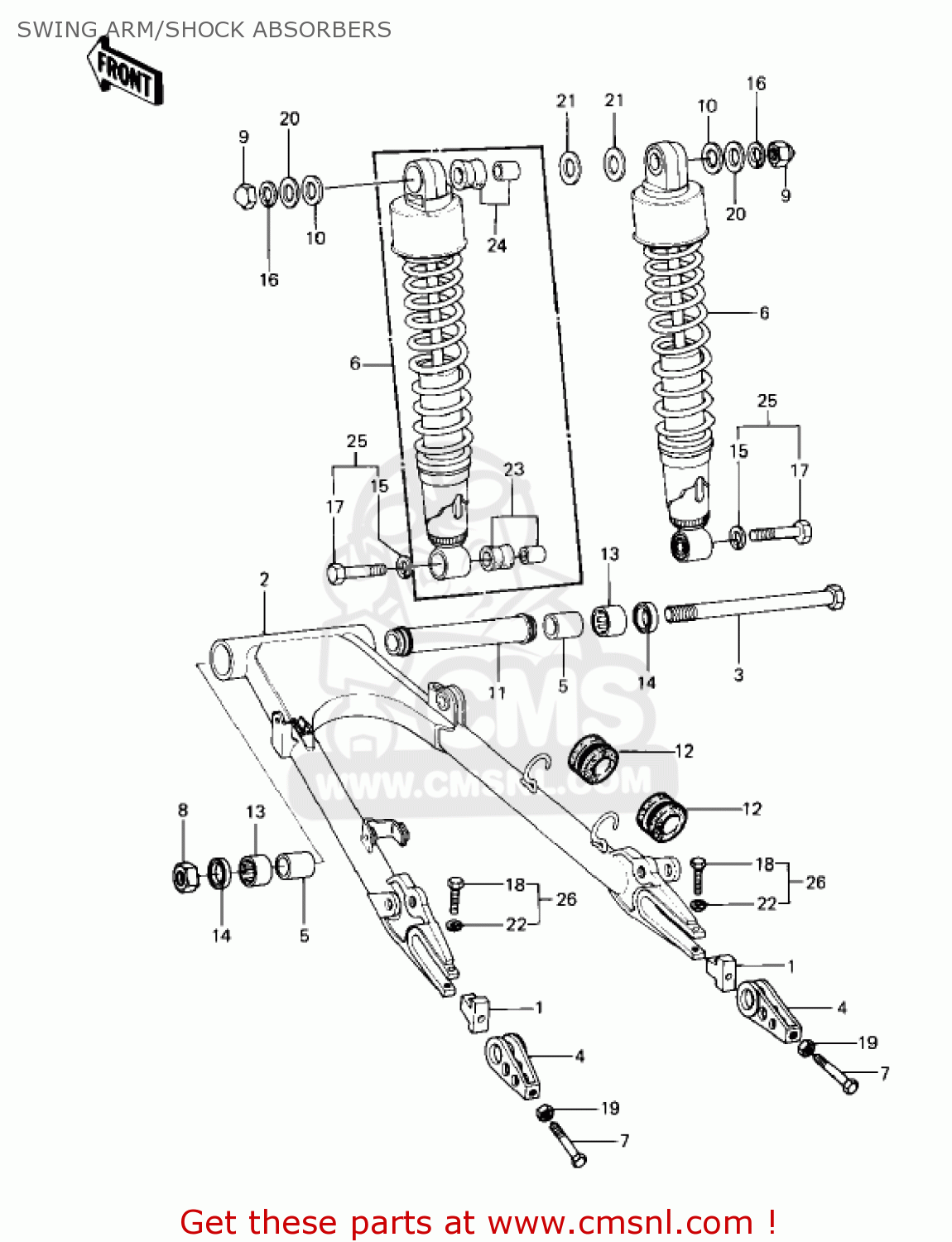
SWING ARM/SHOCK ABSORBERS
KZ1000P3 POLICE 1000 1984 USA
Swing arm/shock absorbers diagram KZ1000P3 POLICE 1000 1984 USA
SWING ARM/SHOCK ABSORBERS KZ1000P3 POLICE 1000 1984 USA
×
prices are in EUR
ref
part #
description
quantity
1
33044001
ref: 1
STOPPER,CHAIN ADJUSTE
€ 23.50
2
330014005
ref: 2
KZ1000-P1
SWING ARM,COMPLETE
€ 285.00
2
330014006
ref: 2
KZ1000-P2/P3/P4/P5
SWING ARM,COMPLETE
€ 296.00
3
33032036
ref: 3
SHAFT-SWING ARM
€ 41.00
4
33040066
ref: 4
ADJUSTER-CHAIN
€ 20.50
5
420361040
ref: 5
SLEEVE,SWING ARM
€ 19.00
6
450141174
ref: 6
SHOCK ABSORBER,REAR
€ 1,041.00
7
92001143
ref: 7
BOLT,CHAIN ADJUSTER
€ 13.50
8
92019012
ref: 8
NUT,LOCK,16MM
€ 11.00
9
92020014
ref: 9
NUT,CAP,12MM
€ 6.50
10
920221239
ref: 10
WASHER,12.4X28X2.3
€ 3.00
11
920271301
ref: 11
KZ1000-P1
COLLAR,SWING ARM,L=15
€ 38.00
11
920271561
ref: 11
KZ1000-P2/P3/P4/P5
COLLAR,SWING ARM
€ 50.00
12
43064007
ref: 12
43064007
13
920461035
ref: 13
920461035
14
920491060
ref: 14
920491060
15
461F1000
ref: 15
KZ1000-P1/P2/P3
WASHER-SPRING,10MM
€ 0.50
16
461F1200
ref: 16
WASHER-SPRING,12MM
€ 0.50
17
113N1035
ref: 17
KZ1000-P1/P2/P3
BOLT-HEX HEAD,10X35
€ 6.00
18
115G0840
ref: 18
KZ1000-P1/P2/P3
115G0840
19
315B1000
ref: 19
NUT,10MM
€ 0.50
20
410B1200
ref: 20
WASHER-PLAIN-SMALL,12
€ 0.50
21
410B1400
ref: 21
410B1400
22
461F0600
ref: 22
KZ1000-P1/P2/P3
WASHER-SPRING,6MM
€ 0.50
23
45017019
ref: 23
DAMPER,SHOCKABSORBER,
€ 13.00
24
920751141
ref: 24
BUSHING,SHOCK ABSORBE
€ 10.00
25
160N1035
ref: 25
KZ1000-P4/P5
BOLT-FINE-WS
€ 3.50
26
183G0840
ref: 26
KZ1000-P4/P5
BOLT-UPSET-WS-SMALL
€ 3.50
up
all assemblies
OWNER TOOLS
FAIRING
SIREN/POLE LAMP (OPTION)
GUARDS/SADDLEBAGS
HEADLIGHT/PURSUIT LIGHT
TAILLIGHT
TURN SIGNALS
CHASSIS ELECTRICAL EQUIPMENT
IGNITION SWITCH
CRANKSHAFT
CLUTCH
CYLINDER HEAD
TRANSMISSION
CYLINDER HEAD COVER
GEAR CHANGE DRUM & FORKS
CYLINDER/PISTON
GEAR CHANGE MECHANISM
AIR CLEANER
MUFFLERS
VALVES
CAMSHAFTS/CHAIN/TENSIONER
TIRES
FRONT WHEEL/HUB
REAR WHEEL/HUB/CHAIN
BRAKE PEDAL/TORQUE LINK
FRONT MASTER CYLINDER
CRANKCASE
CRANKCASE BOLT & STUD PATTERN
ENGINE COVERS
BREATHER COVER/OIL PAN
CARBURETOR ASSY
CARBURETOR PARTS
IGNITION
OIL PUMP/OIL FILTER
STARTER MOTOR/STARTER CLUTCH
GENERATOR/REGULATOR
SEAT
CARRIER
METERS
CABLES
SIDE COVERS/CHAIN COVER
FRAME
FRAME FITTINGS
BATTERY CASE/ELECTRO BRACKET
SWING ARM/SHOCK ABSORBERS
FOOTRESTS
FENDERS
STANDS
FRONT BRAKE
REAR MASTER CYLINDER
REAR BRAKE
HANDLEBAR
FRONT FORK
FUEL TANK
up