×
Genuine KZ Kawasaki Parts delivered quickly!
home
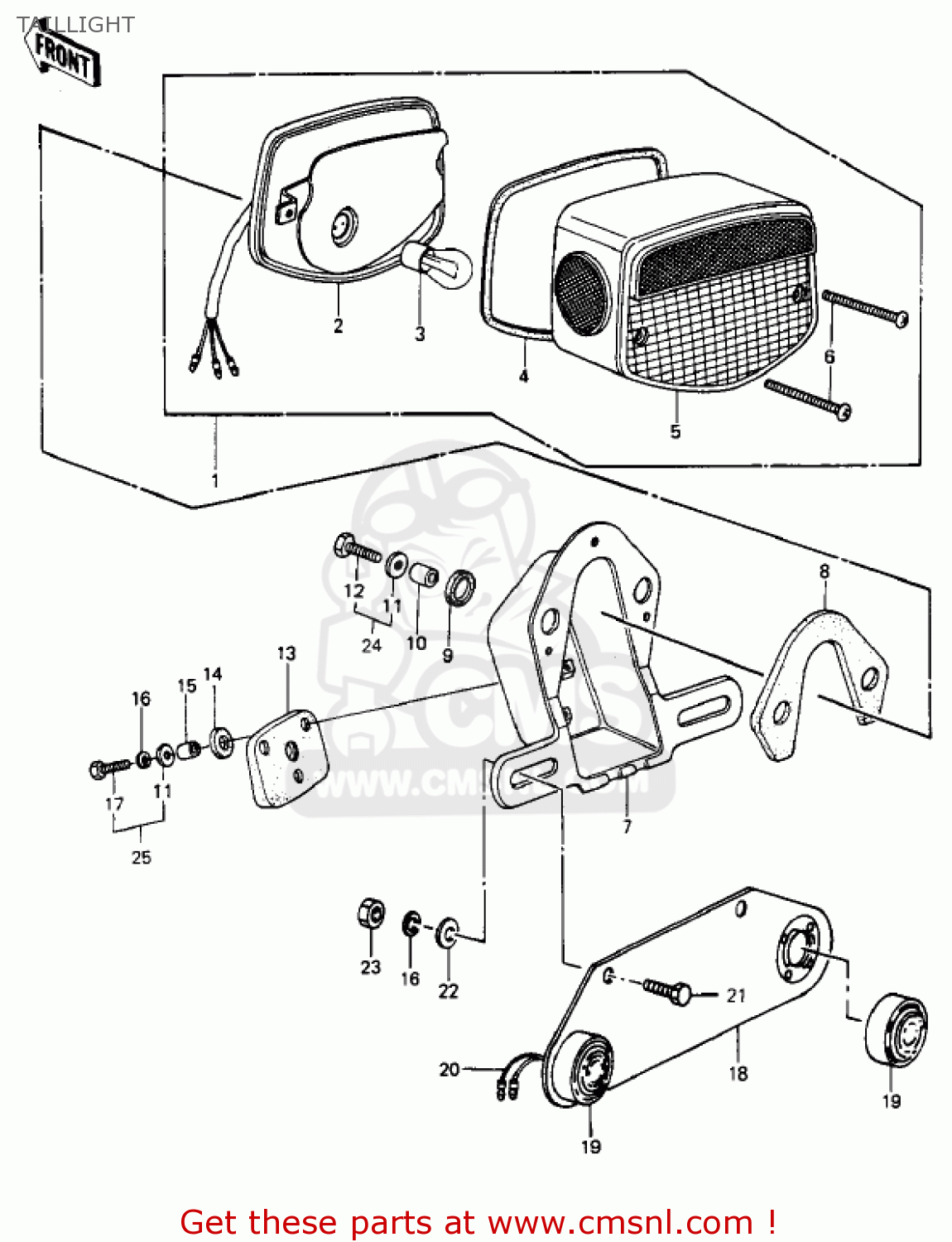
TAILLIGHT
KZ1000P2 POLICE 1000 1983 USA
Taillight diagram KZ1000P2 POLICE 1000 1983 USA
TAILLIGHT KZ1000P2 POLICE 1000 1983 USA
×
prices are in EUR
ref
part #
description
quantity
1
23025064
ref: 1
LAMP-TAIL,220-40781MA
€ 139.00
2
23027041
ref: 2
BODY-COMP-TAIL LAMP
€ 96.00
3
92069059
ref: 3
BULB,12V 32/3CP
€ 5.50
4
23028021
ref: 4
GASKET,TAIL LAMP LENS (NAS)
€ 8.00
5
23026034
ref: 5
LENS,TAIL LAMP
€ 64.50
6
220B0460
ref: 6
SCREW-PAN-CROS
€ 2.50
7
23036052
ref: 7
LICENSE PLATE BRACKET
€ 198.50
8
23066023
ref: 8
DAMPER
€ 10.50
9
23066020
ref: 9
DAMPER
€ 10.00
10
92027129
ref: 10
COLLAR,6.8X10X8.5
€ 3.00
11
92022125
ref: 11
KZ1000-P1/P2/P3
WASHER,6.5X20X1.6
€ 1.00
12
112B0622
ref: 12
KZ1000-P1/P2/P3
BOLT, 6X22
€ 2.50
13
35039004
ref: 13
DAMPER,TAIL LAMP
€ 12.00
14
92075121
ref: 14
DAMPER,FENDER
€ 2.50
15
92027156
ref: 15
COLLAR-BATTERY CASE
€ 3.00
16
461F0600
ref: 16
WASHER-SPRING,6MM
€ 0.50
17
112G0625
ref: 17
KZ1000-P1/P2/P3
BOLT-UPSET,6X25
€ 4.00
18
230621002
ref: 18
BRACKET, LICENSE PLAT
€ 56.50
19
23065003
ref: 19
STD
TAIL LIGHT,ID,BLUE
€ 16.50
19
23065004
ref: 19
TAIL LIGHT,ID, RED
€ 16.00
19
23065005
ref: 19
TAIL LAMP,ID,AMBER
€ 35.00
20
260014001
ref: 20
CONNECT ID LAMP WIRE
€ 6.00
21
112G0620
ref: 21
KZ1000-P2/P3/P4
BOLT 6X20
€ 1.00
21
112G0620
ref: 21
KZ1000-P4/P5
BOLT 6X20
€ 1.00
22
92022024
ref: 22
WASHER,7X16X1.2
€ 2.50
23
311B0600
ref: 23
NUT,6MM
€ 0.50
24
92132004
ref: 24
KZ1000-P4/P5
BOLT,W/P,6X18
€ 1.50
25
920021137
ref: 25
KZ1000-P4/P5
BOLT,6X25
€ 2.50
up
all assemblies
OWNER TOOLS
FAIRING
SIREN/POLE LAMP (OPTION)
GUARDS/SADDLEBAGS
HEADLIGHT/PURSUIT LIGHT
TAILLIGHT
TURN SIGNALS
CHASSIS ELECTRICAL EQUIPMENT
IGNITION SWITCH
CRANKSHAFT
CLUTCH
CYLINDER HEAD
TRANSMISSION
CYLINDER HEAD COVER
GEAR CHANGE DRUM & FORKS
CYLINDER/PISTON
GEAR CHANGE MECHANISM
AIR CLEANER
MUFFLERS
VALVES
CAMSHAFTS/CHAIN/TENSIONER
TIRES
FRONT WHEEL/HUB
REAR WHEEL/HUB/CHAIN
BRAKE PEDAL/TORQUE LINK
FRONT MASTER CYLINDER
CRANKCASE
CRANKCASE BOLT & STUD PATTERN
ENGINE COVERS
BREATHER COVER/OIL PAN
CARBURETOR ASSY
CARBURETOR PARTS
IGNITION
OIL PUMP/OIL FILTER
STARTER MOTOR/STARTER CLUTCH
GENERATOR/REGULATOR
SEAT
CARRIER
METERS
CABLES
SIDE COVERS/CHAIN COVER
FRAME
FRAME FITTINGS
BATTERY CASE/ELECTRO BRACKET
SWING ARM/SHOCK ABSORBERS
FOOTRESTS
FENDERS
STANDS
FRONT BRAKE
REAR MASTER CYLINDER
REAR BRAKE
HANDLEBAR
FRONT FORK
FUEL TANK
up