×
Genuine KX Kawasaki Parts delivered quickly!
home
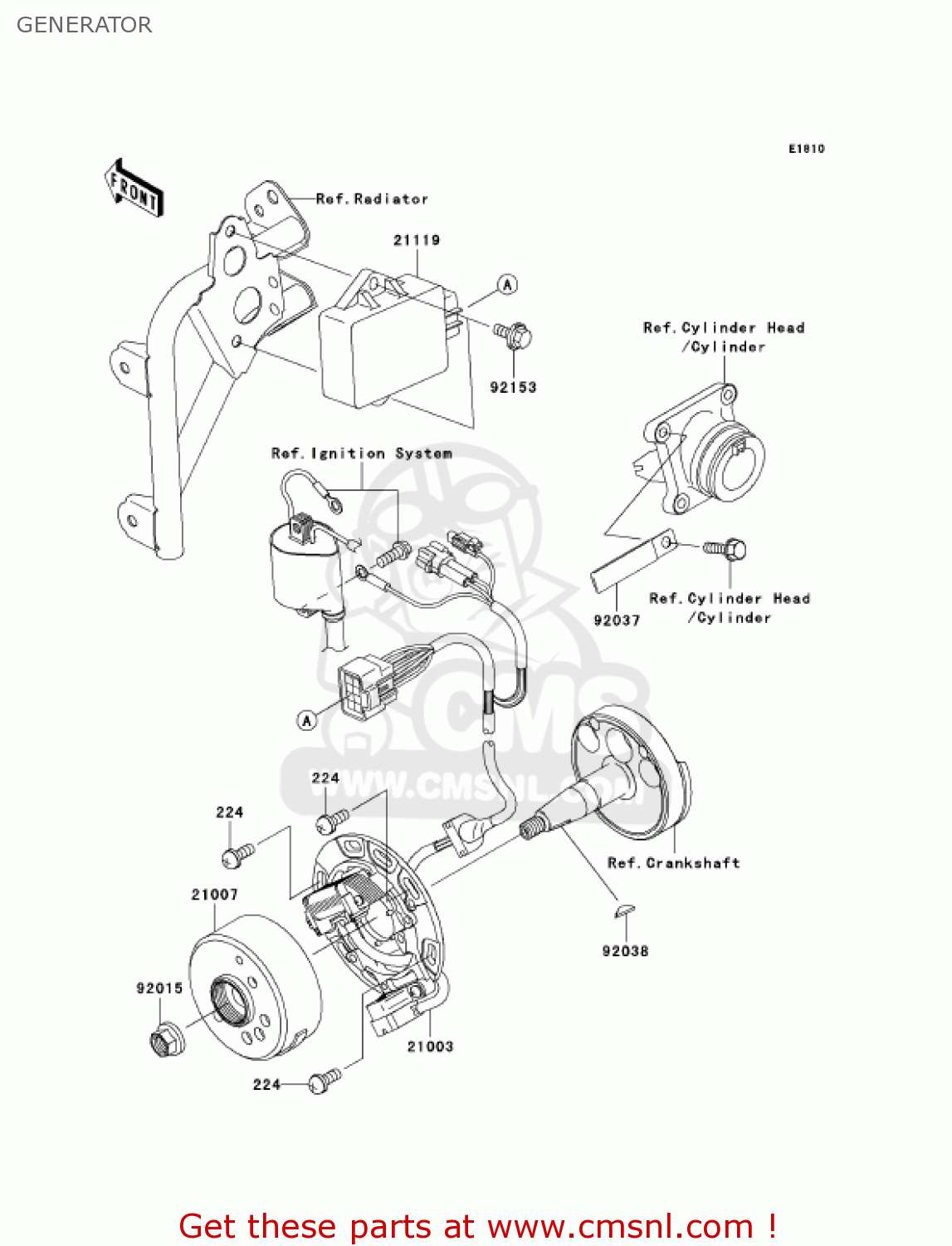
GENERATOR
KX85A6F KX85 2006 USA CANADA
Generator diagram KX85A6F KX85 2006 USA CANADA
GENERATOR KX85A6F KX85 2006 USA CANADA
×
prices are in EUR
ref
part #
description
quantity
224
224B0614
ref: 224
SCREW-PAN-WP-CROS
€ 4.00
21003
210030032
ref: 21003
STATOR
€ 423.00
21007
210070073
ref: 21007
ROTOR,I=4.0
€ 366.00
21119
211190048
ref: 21119
IGNITER
€ 258.50
92015
92015077
ref: 92015
NUT, 10MM
€ 3.00
92037
920371069
ref: 92037
CLAMP,L=60
€ 1.50
92038
92038001
ref: 92038
WOODRUFF KEY
€ 3.00
92153
921530863
ref: 92153
BOLT,6X16
€ 1.50
up
all assemblies
CARBURETOR
OWNER'S TOOLS
LABELS
DECALS (A6F)
OPTIONAL PARTS
FRAME
ENGINE MOUNT
SWINGARM
REAR SUSPENSION
FOOTRESTS
FENDERS
STAND(S)
ACCESSORY
RADIATOR
WHEELS/TIRES
FRONT HUB
GENERATOR
REAR HUB
IGNITION SYSTEM
BRAKE PEDAL
SHOCK ABSORBER(S)
FRONT MASTER CYLINDER
FRONT BRAKE
REAR MASTER CYLINDER
REAR BRAKE
CYLINDER HEAD/CYLINDER
AIR CLEANER
MUFFLER(S)
HANDLEBAR
FRONT FORK (A6F)
FUEL TANK
CRANKSHAFT/PISTON(S)
KICKSTARTER MECHANISM
CLUTCH
TRANSMISSION
GEAR CHANGE DRUM/SHIFT FORK(S)
GEAR CHANGE MECHANISM
SEAT
CABLES
CRANKCASE
ENGINE COVER(S)
PUBLICATIONS
SIDE COVERS
up