×
Genuine KX Kawasaki Parts delivered quickly!
home
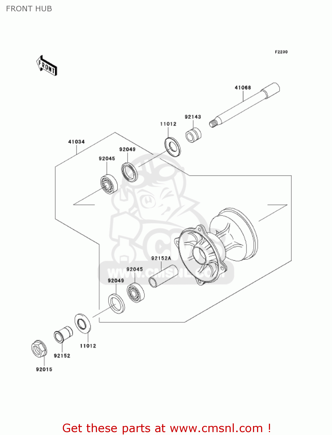
FRONT HUB
KX250-M1 KX250 2003 USA CANADA
Front hub diagram KX250-M1 KX250 2003 USA CANADA
FRONT HUB KX250-M1 KX250 2003 USA CANADA
×
prices are in EUR
ref
part #
description
quantity
11012
110121581
ref: 11012
CAP,AXLE
€ 4.00
41034
410341346
ref: 41034
DRUM-ASSY,FRONT BRAKE
€ 233.00
41068
410681406
ref: 41068
AXLE,FR
€ 47.50
92015
920151465
ref: 92015
NUT,16MM
€ 13.00
92045
920451284
ref: 92045
BEARING-BALL,69042RS
€ 27.50
92049
920491403
ref: 92049
SEAL-OIL,BJNC-2 25X37
€ 23.50
92143
921431581
ref: 92143
COLLAR,FR AXLE,L=20
€ 9.00
92152
921521097
ref: 92152
COLLAR,FR AXLE,L=36
€ 14.00
92152A
921521472
ref: 92152A
COLLAR,FRONT BRAKE DR
€ 16.50
up
all assemblies
OPTIONAL PARTS
CARBURETOR
SIDE COVERS
CABLES
CYLINDER HEAD/CYLINDER
FRAME
PUBLICATIONS
AIR CLEANER
FRAME FITTINGS
MUFFLER(S)
WHEELS/TIRES
SWINGARM
REAR SUSPENSION
FRONT HUB
FOOTRESTS
GENERATOR
OWNER'S TOOLS
HANDLEBAR
REAR HUB
FENDERS
CRANKSHAFT/PISTON(S)
IGNITION SYSTEM
BRAKE PEDAL
STAND(S)
ACCESSORY
CRANKCASE
KICKSTARTER MECHANISM
FUEL TANK
FRONT FORK
CLUTCH
SHOCK ABSORBER(S)
LABELS
DECALS
RADIATOR
ENGINE COVER(S)
TRANSMISSION
GEAR CHANGE DRUM/SHIFT FORK(S)
FRONT MASTER CYLINDER
FRONT BRAKE
REAR MASTER CYLINDER
REAR BRAKE
GEAR CHANGE MECHANISM
SEAT
up