×
Genuine KX Kawasaki Parts delivered quickly!
home
KX250-K2 1995 EUROPE AS
CYLINDER HEAD/CYLINDER
62 products
AIR CLEANER
12 products
MUFFLER(S)
18 products
CRANKSHAFT/PISTON(S)
15 products
KICKSTARTER MECHANISM
21 products
CLUTCH
18 products
TRANSMISSION
21 products
GEAR CHANGE DRUM/SHIFT FORK(S)
9 products
GEAR CHANGE MECHANISM
12 products
CRANKCASE
37 products
ENGINE COVER(S)
49 products
CARBURETOR
55 products
GENERATOR
9 products
IGNITION SYSTEM
7 products
RADIATOR
19 products
FRAME
8 products
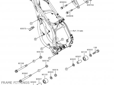
FRAME FITTINGS
14 products
SWINGARM
22 products
SUSPENSION
15 products
FOOTRESTS
6 products
FENDERS
9 products
STAND(S)
1 products
TIRES
18 products
FRONT HUB
8 products
REAR HUB
24 products
BRAKE PEDAL
4 products
SHOCK ABSORBER(S)
18 products
FRONT MASTER CYLINDER
26 products
FRONT BRAKE
19 products
REAR MASTER CYLINDER
26 products
REAR BRAKE
20 products
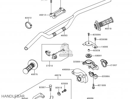
HANDLEBAR
27 products
FRONT FORK
54 products
FUEL TANK
16 products
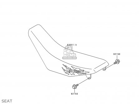
SEAT
3 products
CABLES
4 products
SIDE COVERS
4 products
OWNER'S TOOLS
2 products
LABELS
5 products
ACCESSORY
2 products
1995 KX250-K2 7F LIME GREEN
0 products
Publications
0 products
Model Identification
0 products
up
popular products
540121432
CABLE-THROTTLE
Kawasaki
420361248
SLEEVE,10X16X19
Kawasaki
110601494
GASKET,CLUTCH COVER,O (NAS)
Kawasaki
921431441
COLLAR,SPROCKET
Kawasaki