×
Genuine KLX Kawasaki Parts delivered quickly!
home
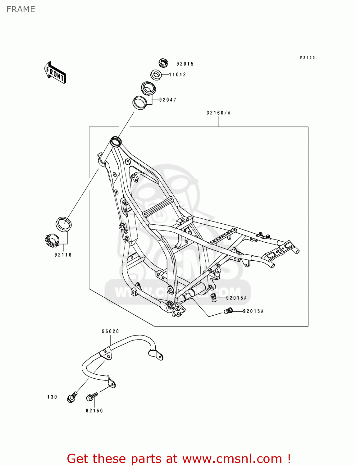
FRAME
KLX650A3 1995 USA CALIFORNIA CANADA
Frame diagram KLX650A3 1995 USA CALIFORNIA CANADA
FRAME KLX650A3 1995 USA CALIFORNIA CANADA
×
prices are in EUR
ref
part #
description
quantity
130
130G0814
ref: 130
BOLT,FLANGED,8X14
€ 0.50
11012
110121762
ref: 11012
CAP,STEERING STEM
€ 4.00
32160A
321601364TY
ref: 32160A
FRAME-COMP,VIOLET
€ 1,269.50
55020
550201480
ref: 55020
GUARD,ENGINE
€ 200.50
92015
920151546
ref: 92015
NUT,25MM,T=12
€ 14.50
92015A
920151791
ref: 92015A
NUT,POP,6MM
€ 3.00
92047
92047017
ref: 92047
CONE,STRNG,STEM
€ 49.50
92116
921161069
ref: 92116
BEARING-ROLLER
€ 69.50
92150
921501340
ref: 92150
BOLT,6X14
€ 3.00
up
all assemblies
CYLINDER HEAD
CYLINDER HEAD COVER
CYLINDER/PISTON(S)
AIR CLEANER
MUFFLER(S)
VALVE(S)
CAMSHAFT(S)/TENSIONER
CRANKSHAFT
BALANCER
KICKSTARTER MECHANISM
CLUTCH
TRANSMISSION
GEAR CHANGE DRUM/SHIFT FORK(S)
GEAR CHANGE MECHANISM
CRANKCASE
ENGINE COVER(S)
CARBURETOR
OIL PUMP
GENERATOR
IGNITION SYSTEM
WATER PUMP
RADIATOR
FRAME
FRAME FITTINGS
SWINGARM
REAR SUSPENSION
FOOTRESTS
FENDERS
STAND(S)
WHEELS/TIRES@(JKALXEA1 PA000750&NAMI.)
FRONT HUB
REAR HUB
BRAKE PEDAL
SHOCK ABSORBER(S)
FRONT MASTER CYLINDER
FRONT BRAKE
REAR MASTER CYLINDER
REAR BRAKE
HANDLEBAR
FRONT FORK
FUEL TANK
SEAT
METER(S)
CABLES
SIDE COVERS
HEADLIGHT(S)
TAILLIGHT(S)
REFLECTORS
OWNER'S TOOLS
LABELS
DECALS(KLX650-A3)
1993 KLX650-A1 7F LIME GREEN
1994 KLX650-A2 7F LIME GREEN
1995 KLX650-A3 7F LIME GREEN
Publications
Model Identification
up