Genuine KLX Kawasaki Parts delivered quickly!

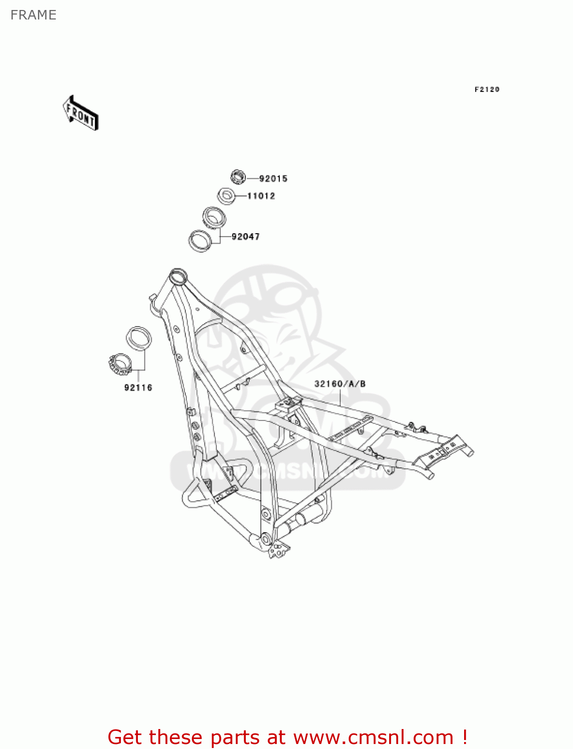
FRAME

KLX300A6 KLX300R 2001 USA CALIFORNIA CANADA

Frame diagram KLX300A6 KLX300R 2001 USA CALIFORNIA CANADA

FRAME KLX300A6 KLX300R 2001 USA CALIFORNIA CANADA
FRAME KLX300A6 KLX300R 2001 USA CALIFORNIA CANADA
FRAME KLX300A6 KLX300R 2001 USA CALIFORNIA CANADA
prices are in EUR
ref
part #
description
quantity
11012
110121762
ref: 11012
CAP,STEERING STEM
110121762
€ 4.00

32160
321601394CC
ref: 32160
FRAME,COMPLETE,LIME GREEN
€ 1,009.50

92015
920151546
ref: 92015
NUT,25MM,T=12
920151546
€ 14.50

92047
92047017
ref: 92047
CONE,STRNG,STEM
92047017
€ 49.50

92116
921161069
ref: 92116
BEARING-ROLLER
921161069
€ 69.50