×
Genuine KL Kawasaki Parts delivered quickly!
home
KL250D16 KLR250 1999 USA CALIFORNIA CANADA
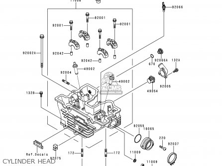
CYLINDER HEAD
24 products
CYLINDER HEAD COVER
7 products
CYLINDER/PISTON(S)
21 products
AIR CLEANER
18 products
MUFFLER(S)
20 products
VALVE(S)
17 products
CAMSHAFT(S)/TENSIONER
20 products
CRANKSHAFT
16 products
BALANCER
15 products
KICKSTARTER MECHANISM
25 products
CLUTCH
17 products
TRANSMISSION
29 products
GEAR CHANGE DRUM/SHIFT FORK(S)
10 products
GEAR CHANGE MECHANISM
10 products
CRANKCASE
29 products
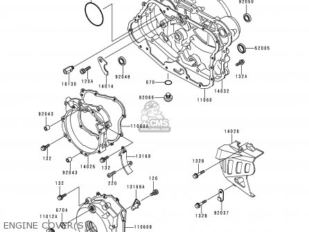
ENGINE COVER(S)
31 products
CARBURETOR
44 products
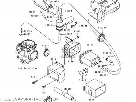
FUEL EVAPORATIVE SYSTEM
22 products
OIL PUMP
21 products
GENERATOR
7 products
IGNITION SYSTEM
11 products
WATER PUMP
16 products
RADIATOR
35 products
FRAME
22 products
FRAME FITTINGS
12 products
SWINGARM
17 products
REAR SUSPENSION
15 products
FOOTRESTS
21 products
FENDERS
19 products
STAND(S)
6 products
WHEELS/TIRES
14 products
FRONT HUB
14 products
REAR HUB
28 products
BRAKE PEDAL
13 products
SHOCK ABSORBER(S)
3 products
FRONT MASTER CYLINDER
23 products
FRONT BRAKE
15 products
HANDLEBAR
28 products
FRONT FORK
32 products
FUEL TANK
22 products
SEAT
3 products
METER(S)
25 products
CABLES
9 products
SIDE COVERS/CHAIN COVER
9 products
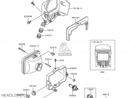
HEADLIGHT(S)
19 products
TAILLIGHT(S)
19 products
TURN SIGNALS
8 products
CHASSIS ELECTRICAL EQUIPMENT
18 products
IGNITION SWITCH
18 products
OWNER'S TOOLS
14 products
LABELS
11 products
DECALS(KL250-D16)
5 products
ACCESSORY
2 products
PUBLICATIONS
0 products
MODEL IDENTIFCATION
0 products
up
popular products
920571170
CHAIN,CAMSHAFT,79RH20
Kawasaki
920631071
JET-MAIN,#118
Kawasaki
13169014
PLATE,GEAR CHANGE DRU
Kawasaki
490781051
SPRING-ENGINE VALVE,I
Kawasaki