×
Genuine KH Kawasaki Parts delivered quickly!
home
FRAME
KH125M9 2004 CANADA
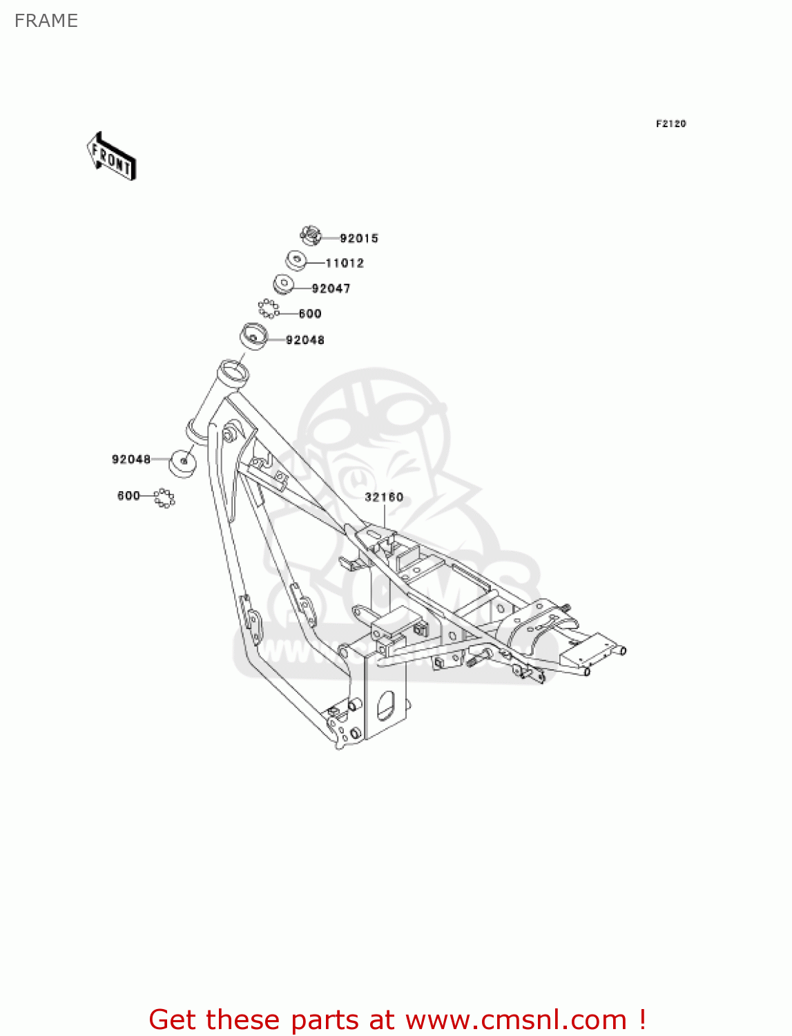
Frame diagram KH125M9 2004 CANADA
FRAME KH125M9 2004 CANADA
×
prices are in EUR
ref
part #
description
quantity
600
600A0600
ref: 600
BALL-STEEL,3/16
€ 0.50
11012
110121740
ref: 11012
STEERING CAP
€ 1.00
32160
321601660
ref: 32160
FRAME-COMP
€ 162.50
92015
920151382
ref: 92015
NUT,STEERING STEM LOC
€ 10.50
92047
92047014
ref: 92047
RACE,STEERING STEM BE
€ 12.50
92048
92048009
ref: 92048
RACE,STRG STM
€ 14.00
up
all assemblies
SWINGARM/SHOCK ABSORBER
TURN SIGNALS
FRONT FORK
CABLES
TIRES
MUFFLER(S)
FUEL TANK
KICKSTARTER MECHANISM
SIDE COVERS/CHAIN COVER
OWNER'S TOOLS
FOOTRESTS
CRANKCASE
CLUTCH
CARBURETOR
FRONT HUB
GENERATOR
FENDERS
CHASSIS ELECTRICAL EQUIPMENT
PUBLICATIONS
TRANSMISSION
GEAR CHANGE DRUM/SHIFT FORK(S)
REAR HUB
IGNITION SWITCH
ENGINE COVER(S)
GEAR CHANGE MECHANISM
HANDLEBAR
IGNITION SYSTEM
SEAT
STAND(S)
OIL TANK
FRAME
HEADLIGHT(S)
CYLINDER HEAD/CYLINDER (M8/M9)
BRAKE PEDAL
AIR CLEANER (M8/M9)
FRAME FITTINGS
TAILLIGHT(S)
OIL PUMP
CRANKSHAFT/PISTON(S)
LABELS
DECALS (RED)(M9)
DECALS (BLUE)(M9)
METER(S)
up