×
Genuine KH Kawasaki Parts delivered quickly!
home
FRAME FITTING
KH125K2 1983 EUROPE UK SD
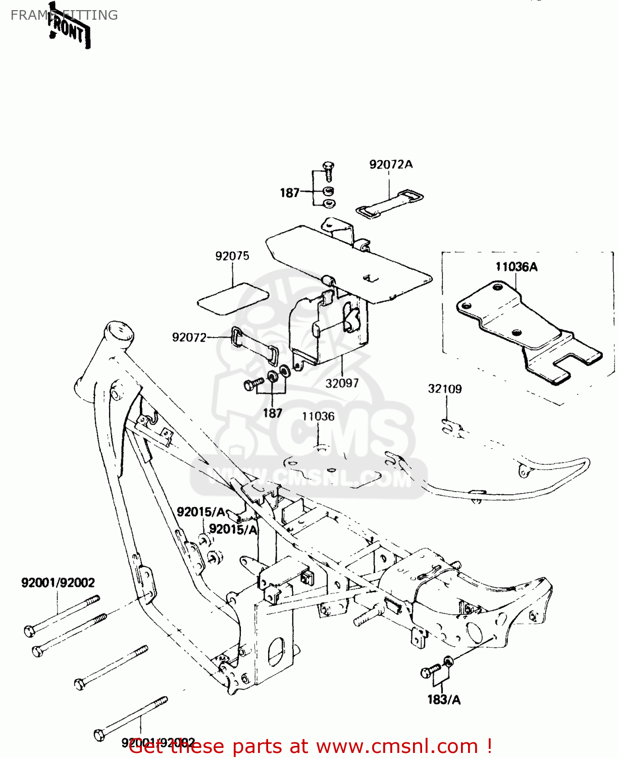
Frame fitting diagram KH125K2 1983 EUROPE UK SD
FRAME FITTING KH125K2 1983 EUROPE UK SD
×
prices are in EUR
ref
part #
description
quantity
11036
110361367
ref: 11036
EU, UK
BRACKET-A,REGULATOR
€ 8.50
11036A
110361559
ref: 11036A
SD
BRACKET-A
€ 6.00
32097
320971001
ref: 32097
CASE-BATTERY
€ 57.50
32109
321091036
ref: 32109
GRIP-FRAME
€ 130.00
92001
920011259
ref: 92001
BOLT,HEX HEAD,10X115
€ 7.00
92015
920151172
ref: 92015
NUT,FLANGED,10MM
€ 3.00
92072
92072012
ref: 92072
BAND-TOOL
€ 4.50
92072A
92072039
ref: 92072A
BAND,L=54MM
€ 12.50
92075
32103025
ref: 92075
DAMPER,BATTERY
€ 5.50
183
183B0845
ref: 183
BOLT-UPSET-WS-SMALL
€ 2.50
187
187B0614
ref: 187
BOLT-UPSET-WSP
€ 0.50
up
all assemblies
PUBLICATIONS
MODEL IDENTIFICATION
CHANGE DRUM/SHIFT FORK
GEAR CHANGE MECHANISM
CRANKCASE
ENGINE COVER
CYLINDER HEAD/CYLINDER
AIR FILTER
MUFFLER
CRANKSHAFT/PISTON
KICKSTARTER MECHANISM
CLUTCH
TRANSMISSION
CARBURETOR
OIL PUMP
GENERATOR
IGNITION COIL
FRONT HUB
REAR HUB
BRAKE PEDAL/TORQUE ROD
FRONT MASTER CYLINDER
FRAME
FRAME FITTING
SWING ARM/SHOCK ABSORBER
STEP
FENDER
STAND
TIRE
CABLE
SIDE COVER/CHAIN CASE
HEAD LAMP
TAIL LAMP
TURN SIGNAL
FRONT CALIPER(KH125-K2/K3/K4)
HANDLEBAR
FRONT FORK
FUEL TANK
OIL TANK
SEAT
METER
ELECTRICAL EQUIPMENT
IGNITION SWITCH
TOOL
LABEL
up