×
Genuine KE Kawasaki Parts delivered quickly!
home
FRONT HUB
KE125A11 1984 UNITED KINGDOM FR SD
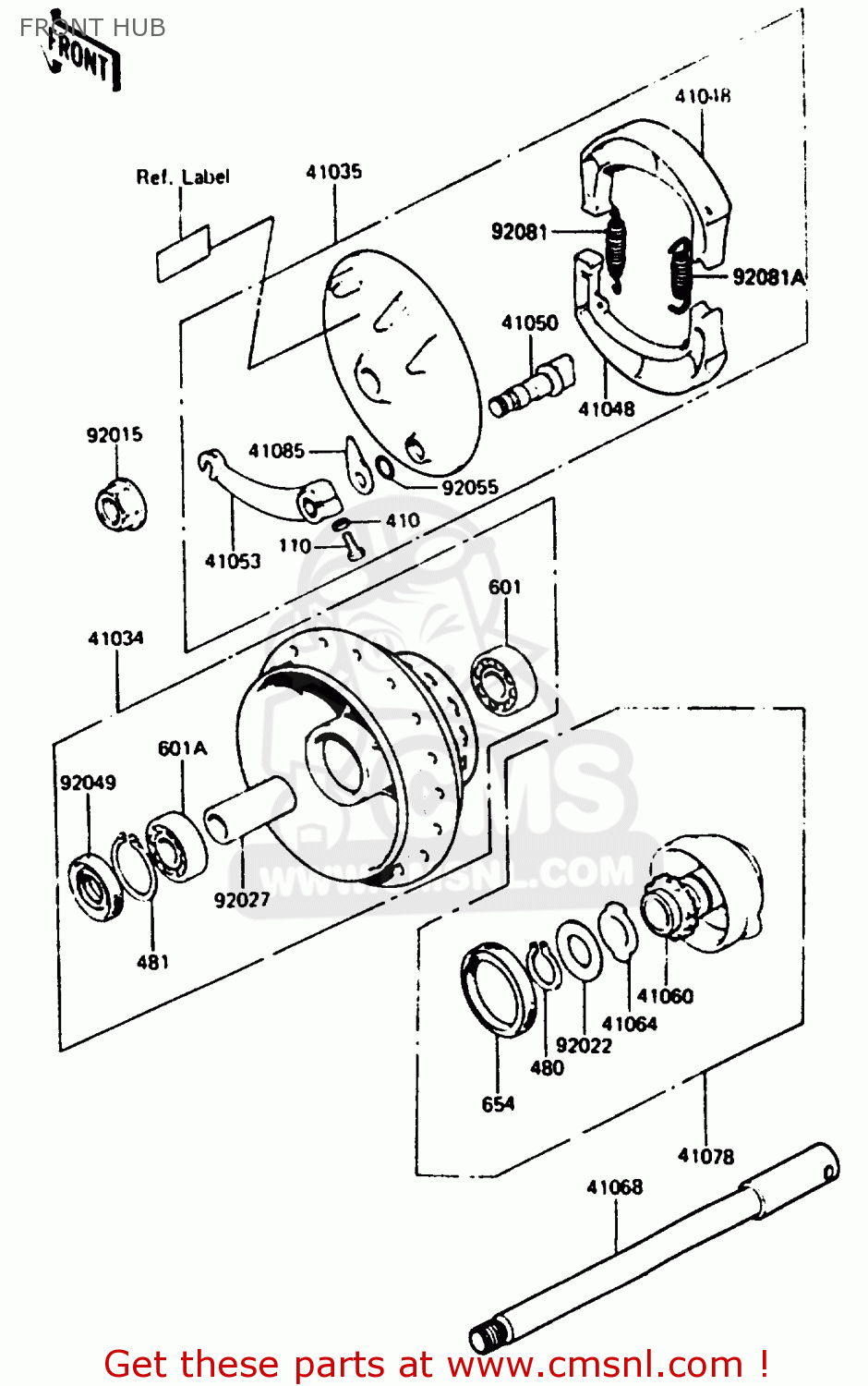
Front hub diagram KE125A11 1984 UNITED KINGDOM FR SD
FRONT HUB KE125A11 1984 UNITED KINGDOM FR SD
×
prices are in EUR
ref
part #
description
quantity
41034
410341024
ref: 41034
DRUM ASSY,FRONT BRAKE
€ 152.50
41035
410351035
ref: 41035
PANEL ASSY,F.BRAKE
€ 227.50
41048
41048015
ref: 41048
SHOE,BRAKE (MCA)
€ 14.50
41050
41050012
ref: 41050
CAM-BRAKE
€ 18.00
41053
41053020
ref: 41053
LEVER-BRAKE CAM
€ 38.00
41060
41059024
ref: 41060
GEAR,SPEEDOMETER,24T
€ 22.50
41064
41064011
ref: 41064
RECEIVER,SPEED GEAR
€ 4.00
41068
410681064
ref: 41068
AXLE,FR
€ 28.00
41078
410781019
ref: 41078
CASE-ASSY-METER GEAR
€ 72.50
41085
41085002
ref: 41085
INDICATOR,BRAKE SHOE
€ 2.50
92015
920151156
ref: 92015
NUT,12MM
€ 4.50
92022
41065004
ref: 92022
WASHER,19.5X26X0.8
€ 2.00
92027
41039025
ref: 92027
COLLAR,L=44
€ 10.00
92049
92050059
ref: 92049
OIL SEAL,FR BK DRUM
€ 13.00
92055
92055004
ref: 92055
RING-O,BRAKE CAM
€ 3.00
92081
920811550
ref: 92081
SPRING,BRAKE SHOE
€ 6.00
92081A
920811766
ref: 92081A
SPRING,BRAKE SHOE
€ 5.50
110
110G0622
ref: 110
BOLT-HEX HEAD,6X22
€ 2.50
410
410B0600
ref: 410
WASHER-PLAIN-SMALL,6M
€ 0.50
480
480J1900
ref: 480
CIRCLIP-TYPE-C,19MM
€ 1.00
481
481J3700
ref: 481
CIRCLIP-TYPE-C,37MM
€ 1.50
601
601B6201
ref: 601
BEARING-BALL,#6201C3
€ 7.00
601A
601B6301
ref: 601A
BEARING-BALL,#6301C3
€ 13.00
654
654A405208
ref: 654
OIL SEAL
€ 9.00
up
all assemblies
CHANGE DRUM/SHIFT FORK
GEAR CHANGE MECHANISM
CRANKCASE
ENGINE COVER
CARBURETOR
CYLINDER HEAD/CYLINDER
AIR FILTER
MUFFLER
CRANKSHAFT/PISTON
KICKSTARTER MECHANISM
CLUTCH
TRANSMISSION
OIL PUMP
GENERATOR
IGNITION COLL
TIRE
FRONT HUB
REAR HUB
BRAKE PEDAL
HANDLEBAR
FRAME
FRAME FITTING
SWING ARM/SHOCK ABSORBER
STEP
FENDER
STAND
HEAD LAMP
TAIL LAMP
TURN SIGNAL
ELECTRICAL EQUIPMENT
IGNITION SWITCH
FRONT FORK
FUEL TANK
OIL TANK
SEAT
METER
CABLE
SIDE COVER/CHAIN CASE
TOOL
LABEL
PUBLICATIONS
MODEL IDENTIFICATION
up