×
Genuine KE Kawasaki Parts delivered quickly!
home
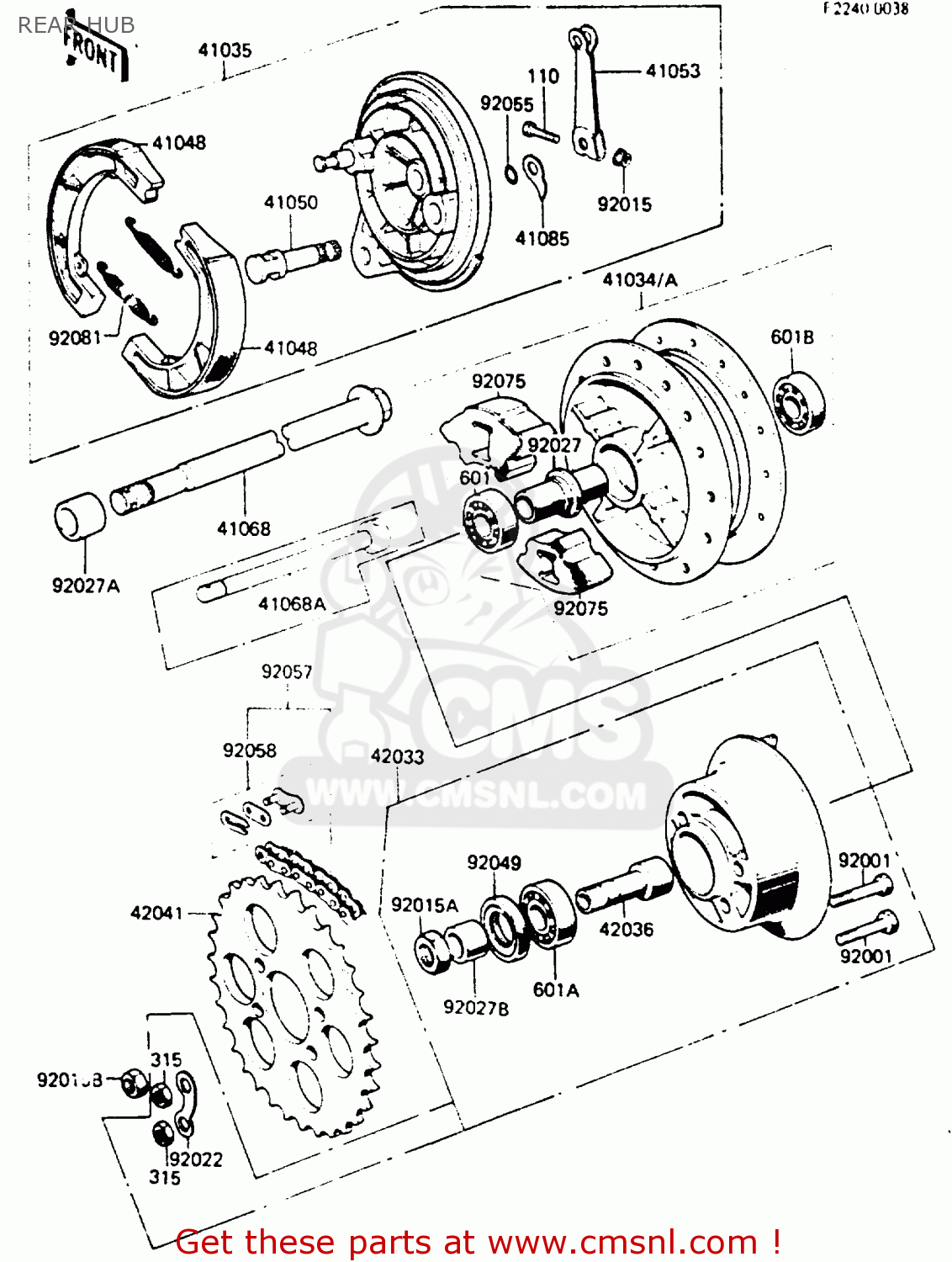
REAR HUB
KE100B5 1986 EUROPE UK
Rear hub diagram KE100B5 1986 EUROPE UK
REAR HUB KE100B5 1986 EUROPE UK
×
prices are in EUR
ref
part #
description
quantity
41034
410341048
ref: 41034
DRUM-ASSY,RR
€ 275.50
41035
410351081
ref: 41035
PANEL-ASSY-BRAKE,RR
€ 249.50
41048
41048017
ref: 41048
SHOE,BRAKE (MCA)
€ 13.00
41050
42026018
ref: 41050
CAM-BRAKE
€ 19.50
41053
42029020
ref: 41053
LEVER-BRAKE CAM
€ 20.50
41068A
410681229
ref: 41068A
AXLE
€ 26.00
41085
41085003
ref: 41085
INDICATOR,BRAKE SHOE
€ 9.00
42033
420331042
ref: 42033
COUPLING-ASSY,RR HUB
€ 151.00
42036
42036013
ref: 42036
SLEEVE,RR HUB COUPLIN
€ 23.50
42041
420411095
ref: 42041
SPROCKET-HUB,40T
€ 28.50
92001
92001082
ref: 92001
BOLT-REAR SPROCKET
€ 2.00
92015
41072007
ref: 92015
NUT,6MM
€ 2.50
92015A
42045004
ref: 92015A
NUT,16MM
€ 4.00
92015B
42045005
ref: 92015B
NUT,10MM
€ 5.00
92022
92088011
ref: 92022
WASHER,LOCK
€ 3.00
92027
42010005
ref: 92027
COLLAR,L=58
€ 8.50
92027A
42032006
ref: 92027A
COLLAR-REAR HUB R.H
€ 7.00
92027B
42037003
ref: 92027B
COLLAR,17X25X12.5
€ 7.50
92049
92052003
ref: 92049
OIL SEAL-COUPLING
€ 8.50
92055
92055004
ref: 92055
RING-O,BRAKE CAM
€ 3.00
92057
920571099
ref: 92057
CHAIN,DRIVE,EK428-G
€ 249.50
92058
920581014
ref: 92058
JOINT-CHAIN,EK428-G
€ 3.50
92075
42014016
ref: 92075
DAMPER,RR HUB SHOCK
€ 12.50
92081
920811766
ref: 92081
SPRING,BRAKE SHOE
€ 5.50
110
110G0630
ref: 110
BOLT-HEX HEAD,6X30
€ 1.00
315
315B1000
ref: 315
NUT,10MM
€ 0.50
601
601B6201
ref: 601
BEARING-BALL,#6201C3
€ 7.00
601A
601B6203
ref: 601A
BEARING-BALL,#6203C3
€ 10.50
601B
601B6301Z
ref: 601B
BEARING-BALL,#6301ZC3
€ 15.00
up
all assemblies
PUBLICATIONS
MODEL IDENTIFICATION
TRANSMISSION
CHANGE DRUM/SHIFT FORK
CYLINDER HEAD/CYLINDER (UNITED KINGOOM)
AIR FILTER
MUFFLER
CRANKSHAFT/PISTON
KICKSTARTER MECHANISM
CLUTCH (UNITED KINGDOM)
OIL PUMP (UNITED KINGDOM)
GENERATOR (UNITED KINGDOM)
GEAR CHANGE MECHANISM
CRANKCASE (UNITED KINGDOM)
ENGINE COVER
CARBURETOR
IGNITION COIL
FRONT HUB
REAR HUB
BRAKE PEDAL
HANDLEBAR
FRONT FORK
FRAME
FRAME FITTING
SWING ARM/SHOCK ABSORBER
STEP
FENDER
STAND
TIRE
TAIL LAMP (UNITED KINGDOM)
TURN SIGNAL (UNITED KINGDOM)
FUEL TANK
OIL TANK
SEAT
METER
CABLE
SIDE COVER/CHAIN CASE
HEAD LAMP (UNITED KINGDOM)
ELECTRICAL EQUIPMENT
IGNITION SWITCH
TOOL (KE100-B2/B3/B4/B5)
LABEL
up