×
Genuine KE Kawasaki Parts delivered quickly!
home
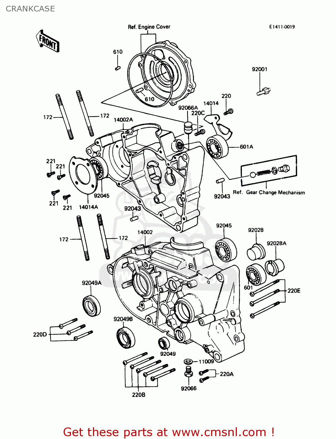
CRANKCASE
KE100-B10 1991 USA
Crankcase diagram KE100-B10 1991 USA
CRANKCASE KE100-B10 1991 USA
×
prices are in EUR
ref
part #
description
quantity
172
172G08115
ref: 172
STUD,8X115
€ 8.00
220
220B0612
ref: 220
SCREW-PAN HEAD,6X12
€ 1.00
220A
220B0625
ref: 220A
SCREW-PAN HEAD,6X25
€ 1.50
220B
220B0640
ref: 220B
SCREW-PAN HEAD,6X40
€ 2.00
220C
220X0620
ref: 220C
SCREW-PAN-CROS
€ 3.00
220D
220X0660
ref: 220D
SCREW-PAN-CROS
€ 2.50
220E
220X0665
ref: 220E
SCREW-PAN-CROS
€ 2.50
221
221B0616
ref: 221
SCREW-CNTSNK HD,6X16
€ 0.50
601
601B6004
ref: 601
BEARING-BALL,#6004C3
€ 10.50
601A
601B6005
ref: 601A
BEARING-BALL,#6005C3
€ 11.50
610
610A0512
ref: 610
ROLLER,5X12
€ 3.00
11009
92065058
ref: 11009
GASKET, 10,5X16X1 (NAS)
€ 2.50
14002
140021074
ref: 14002
CRANKCASE,LH
€ 376.50
14002A
140021210
ref: 14002A
CRANKCASE,RH
€ 401.00
14014
14014008
ref: 14014
PLATE-POSITION
€ 4.00
14014A
14014017
ref: 14014A
PLATE-POSITION
€ 3.50
92001
920011426
ref: 92001
BOLT,CRANK BRG HOLDER
€ 5.00
92028
92028025
ref: 92028
BUSHING,L=23.5
€ 28.00
92028A
92028069
ref: 92028A
BUSH-OUTPUT SHAFT
€ 25.00
92043
920431322
ref: 92043
PIN,8X16
€ 2.50
92045
920451032
ref: 92045
BEARING-BALL,#6204
€ 25.50
92049
92049004
ref: 92049
OIL SEAL SB12205
€ 6.00
92049A
920491240
ref: 92049A
SEAL-OIL
€ 10.50
92049B
92050013
ref: 92049B
OIL SEAL SC25376
€ 9.50
92066
92067001
ref: 92066
PLUG-OIL DRAIN
€ 3.00
92066A
92074035
ref: 92066A
PLUG,15X19
€ 4.50
up
all assemblies
CYLINDER HEAD/CYLINDER
AIR FILTER
MUFFLER
CRANKSHAFT/PISTON
KICKSTARTER MECHANISM
CLUTCH
TRANSMISSION
CHANGE DRUM/SHIFT FORK
GEAR CHANGE MECHANISM
CRANKCASE
ENGINE COVER
CARBURETOR
OIL PUMP
GENERATOR
IGNITION COIL
FRAME
FRAME FITTING
SWING ARM/SHOCK ABSORBER
STEP
FENDER
STAND
TIRE
FRONT HUB
REAR HUB
BRAKE PEDAL
HANDLEBAR
FRONT FORK
FUEL TANK
OIL TANK
SEAT
METER
CABLE
SIDE COVER/CHAIN CASE
HEAD LAMP
TAIL LAMP
TURN SIGNAL
ELECTRICAL EQUIPMENT
IGNITION SWITCH
TOOL
LABEL
Publications
Model Identification
up