×
Genuine KDX Kawasaki Parts delivered quickly!
home
KDX80-C5 1988 USA CANADA
CYLINDER HEAD/CYLINDER
15 products
AIR CLEANER
12 products
MUFFLER(S)
15 products
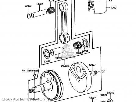
CRANKSHAFT/PISTON(S)
16 products
KICKSTARTER MECHANISM
22 products
CLUTCH
20 products
TRANSMISSION
20 products
GEAR CHANGE DRUM/SHIFT FORK(S)
8 products
GEAR CHANGE MECHANISM
9 products
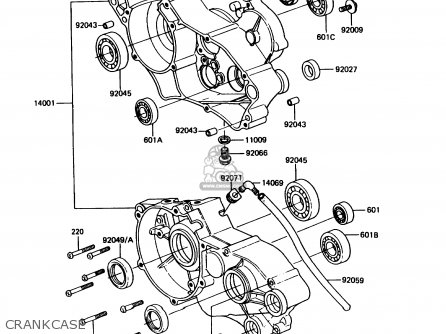
CRANKCASE
19 products
ENGINE COVER(S)
9 products
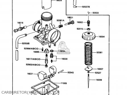
CARBURETOR(KDX80-C4/C5)
43 products
GENERATOR
8 products
IGNITION SYSTEM
7 products
FRAME
8 products
FRAME FITTINGS
9 products
SWINGARM
20 products
REAR SUSPENSION
19 products
FOOTRESTS
6 products
FENDERS
7 products
STAND(S)
4 products
WHEELS/TIRES
17 products
FRONT HUB
16 products
REAR HUB
32 products
BRAKE PEDAL
15 products
SHOCK ABSORBER(S)
9 products
HANDLEBAR
27 products
FRONT FORK
25 products
FUEL TANK
16 products
SEAT
2 products
CABLES
8 products
SIDE COVERS
7 products
OWNER'S TOOLS
2 products
LABELS
4 products
ACCESSORY
3 products
1984 KDX80-C1 00
0 products
1985 KDX80-C2 00
0 products
1986 KDX80-C3 00
0 products
1987 KDX80-C4 00
0 products
1988 KDX80-C5 00
0 products
Publications
0 products
Model Identification
0 products
up
popular products
601B6300UU
BEARING-BALL,#6300UUC
Kawasaki
601B6200UU
BEARING-BALL,#6200UUC
Kawasaki
130011184
PISTON-ENGINE B
Kawasaki
92065092
GASKET,R.H ENG COVER (NAS)
Kawasaki