×
Genuine KDX Kawasaki Parts delivered quickly!
home
KDX400-A1 KDX400 1979 USA CANADA
CYLINDER HEAD/CYLINDER/REED VALV
19 products
CRANKSHAFT/PISTON
19 products
CRANKCASE
31 products
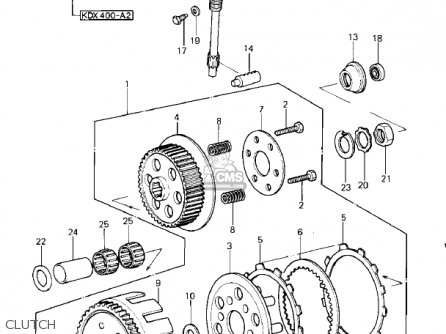
CLUTCH
26 products
TRANSMISSION
39 products
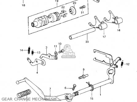
GEAR CHANGE MECHANISM
24 products
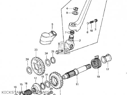
KICKSTARTER MECHANISM
26 products
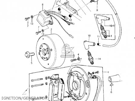
IGNITION/GENERATOR
16 products
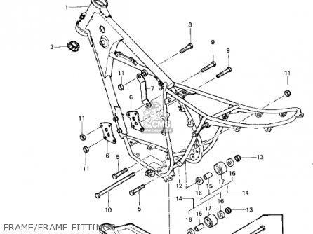
FRAME/FRAME FITTINGS
26 products
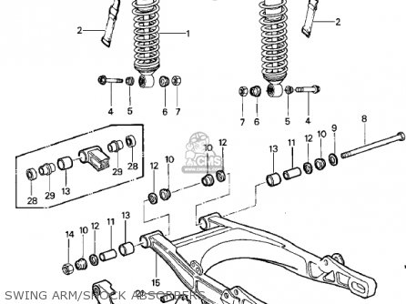
SWING ARM/SHOCK ABSORBERS
30 products
FOOTRESTS/STAND
10 products
BRAKE PEDAL/TORQUE LINK
23 products
HANDLEBAR
26 products
FRONT FORK
42 products
WHEELS/TIRES
19 products
CABLES
10 products
METER
19 products
HEADLIGHT
26 products
TAILLIGHT/CHASSIS ELECTRICAL EQU
21 products
LABELS
6 products
OWNER TOOLS
5 products
OPTIONAL PARTS
9 products
ENGINE COVERS
13 products
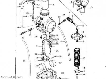
CARBURETOR
56 products
AIR CLEANER
22 products
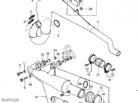
MUFFLER
30 products
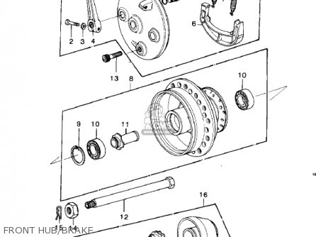
FRONT HUB/BRAKE
26 products
REAR HUB/BRAKE/CHAIN
32 products
FENDERS
18 products
FUEL TANK
12 products
SEAT/SIDE COVERS/CHAIN COVER
13 products
up
popular products
130331055
BEARING-SMALL END,KTV
Kawasaki
920551057
RING-O,55MM,MUFFLER
Kawasaki
92101001
SPRING-SPARK PLUG CAP
Kawasaki
92075222
DAMPER RUBBER,CASE
Kawasaki