×
Genuine KDX Kawasaki Parts delivered quickly!
home
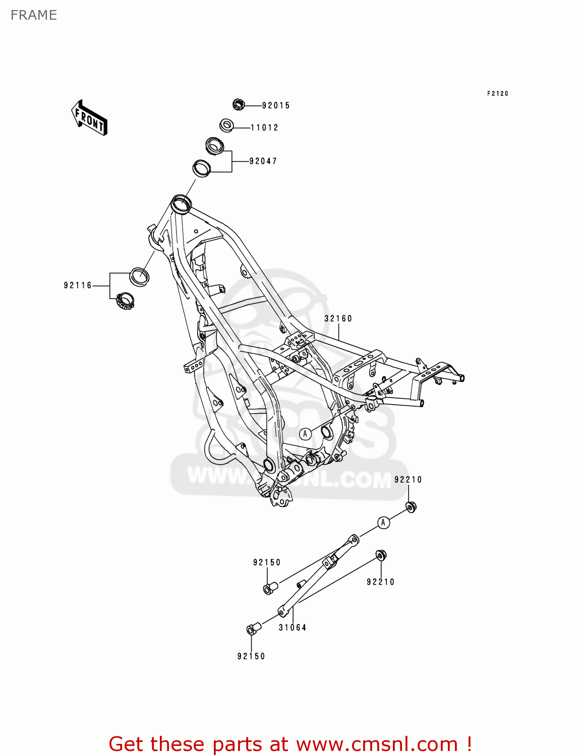
FRAME
KDX220-A5 KDX220R 1998 USA CANADA
Frame diagram KDX220-A5 KDX220R 1998 USA CANADA
FRAME KDX220-A5 KDX220R 1998 USA CANADA
×
prices are in EUR
ref
part #
description
quantity
11012
110121762
ref: 11012
CAP,STEERING STEM
€ 4.00
31064
310641163CC
ref: 31064
PIPE-COMP,SUB FRAME,L
€ 184.50
32160
321601350CC
ref: 32160
FRAME-COMP,L.GREEN
€ 1,153.50
92015
920151546
ref: 92015
NUT,25MM,T=12
€ 14.50
92047
92047017
ref: 92047
CONE,STRNG,STEM
€ 49.50
92116
921161069
ref: 92116
BEARING-ROLLER
€ 69.50
92150
921501221
ref: 92150
BOLT,SOCKET,10X23
€ 3.50
92210
922101080
ref: 92210
NUT
€ 7.00
up
all assemblies
CYLINDER HEAD/CYLINDER
AIR CLEANER
MUFFLER(S)
CRANKSHAFT/PISTON(S)
KICKSTARTER MECHANISM
CLUTCH
TRANSMISSION
GEAR CHANGE DRUM/SHIFT FORK(S)
GEAR CHANGE MECHANISM
CRANKCASE
ENGINE COVER(S)
CARBURETOR
GENERATOR
IGNITION SYSTEM
RADIATOR
FRAME
FRAME FITTINGS
SWINGARM
REAR SUSPENSION
FOOTRESTS
FENDERS
STAND(S)
WHEELS/TIRES
FRONT HUB
REAR HUB
BRAKE PEDAL
SHOCK ABSORBER(S)
FRONT MASTER CYLINDER
FRONT BRAKE
REAR MASTER CYLINDER
REAR BRAKE
HANDLEBAR
FRONT FORK(KDX220-A5/A6/A7)
FUEL TANK
SEAT
METER(S)
CABLES
SIDE COVERS/CHAIN COVER
HEADLIGHT(S)
TAILLIGHT(S)
REFLECTORS
OWNER'S TOOLS
LABELS
DECALS(KDX220-A5)
1997 KDX220-A4 7F LIME GREEN
1998 KDX220-A5 7F LIME GREEN
1999 KDX220-A6 7F LIME GREEN
2000 KDX220-A7 7F LIME GREEN
PUBLICATIONS
MODEL IDENTIFCATION
up