×
Genuine KDX Kawasaki Parts delivered quickly!
home
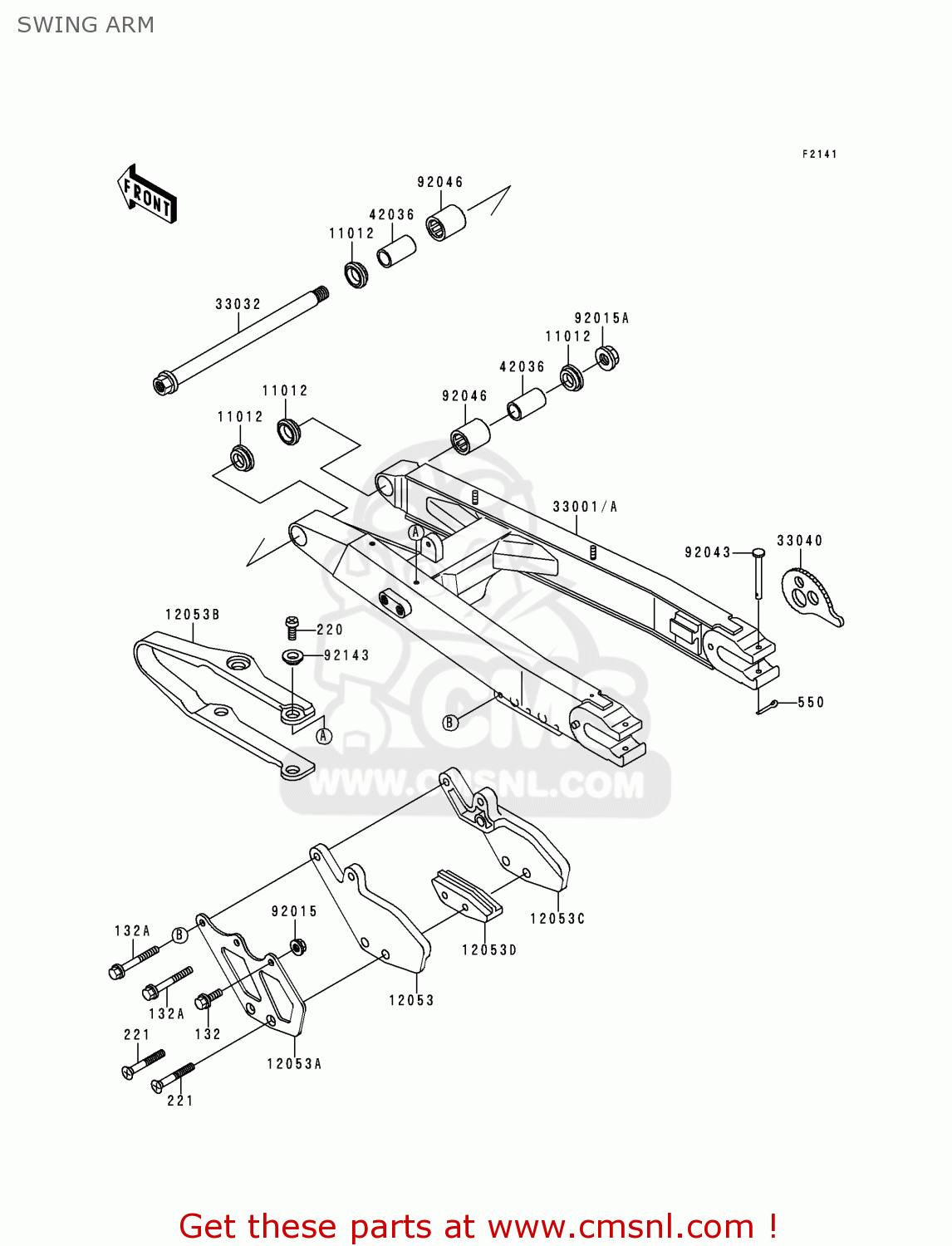
SWING ARM
KDX200-E6 1994 UNITED KINGDOM AL
Swing arm diagram KDX200-E6 1994 UNITED KINGDOM AL
SWING ARM KDX200-E6 1994 UNITED KINGDOM AL
×
prices are in EUR
ref
part #
description
quantity
132
132G0616
ref: 132
BOLT-FLANGED-SMALL
€ 1.00
132A
132G0645
ref: 132A
BOLT-FLANGED-SMALL
€ 2.50
220
220B0608
ref: 220
SCREW-PAN HEAD,6X8
€ 0.50
221
221B0645
ref: 221
SCREW-CSK-CROS,6X45
€ 2.50
550
550D2015
ref: 550
PIN-COTTER,2.0X15
€ 1.00
11012
110121259
ref: 11012
CAP,SWING ARM
€ 15.00
12053
120531234
ref: 12053
GUIDE-CHAIN,RR,INSIDE
€ 19.50
12053A
120531235
ref: 12053A
GUIDE-CHAIN,RR,OUTSID
€ 23.50
12053B
120531240
ref: 12053B
GUIDE-CHAIN,FR
€ 50.00
12053C
120531255
ref: 12053C
GUIDE-CHAIN,RR,OUTSID
€ 23.50
12053D
120531270
ref: 12053D
GUIDE-CHAIN,DRIVE,RR,
€ 33.00
33001A
330011327TX
ref: 33001A
ARM-COMP-SWING,SILVER
€ 842.00
33032
330321137
ref: 33032
SHAFT-SWING ARM
€ 43.00
33040
330401067
ref: 33040
ADJUSTER-CHAIN
€ 17.50
42036
420361064
ref: 42036
SLEEVE,SWING ARM
€ 14.50
92015
920151078
ref: 92015
NUT,6M/M
€ 1.50
92015A
920151407
ref: 92015A
NUT,14MM
€ 6.50
92043
920431423
ref: 92043
PIN,6X55
€ 6.50
92046
920461128
ref: 92046
BEARING-NEEDLE,TA2030
€ 25.00
92143
921431156
ref: 92143
COLLAR
€ 4.00
up
all assemblies
CYLINDER HEAD/CYLINDER
AIR CLEANER
MUFFLER(S)
CRANKSHAFT/PISTON(S)
KICKSTARTER MECHANISM
CLUTCH
TRANSMISSION
CHANGE DRUM/SHIFT FORK
GEAR CHANGE MECHANISM
CRANKCASE
ENGINE COVER(S)
CARBURETOR
GENERATOR
IGNITION SYSTEM
RADIATOR(KDX200-E6)
FRAME
FRAME FITTING
SWING ARM
SUSPENSION
STEP
FENDER
STAND
TIRE
FRONT HUB(KDX200-E5/E6)
REAR HUB
BRAKE PEDAL
SHOCK ABSORBER
FRONT MASTER CYLINDER
FRONT CALIPER(KDX200-E5/E6)
REAR MASTER CYLINDER
REAR CALIPER
HANDLEBAR
FRONT FORK(KDX200-E5/E6)
FUEL TANK
SEAT
METER
CABLE
SIDE COVER/CHAIN CASE
HEAD LAMP
TAIL LAMP
TOOL
LABEL(KDX200-E6)
ACCESSORY
1992 KDX200-E4 7F LIME GREEN
1993 KDX200-E5 7F LIME GREEN
1994 KDX200-E6 7F LIME GREEN
PUBLICATIONS
MODEL IDENTIFCATION
up