Genuine EX Kawasaki Parts delivered quickly!

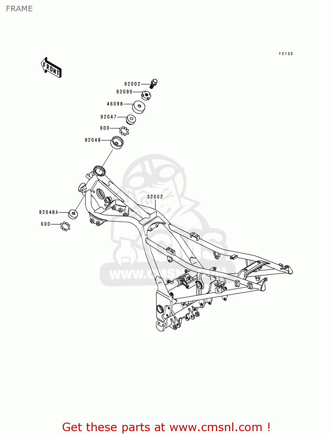
FRAME

EX250F8 NINJA 250R 1994 USA CALIFORNIA CANADA

Frame diagram EX250F8 NINJA 250R 1994 USA CALIFORNIA CANADA

FRAME EX250F8 NINJA 250R 1994 USA CALIFORNIA CANADA
FRAME EX250F8 NINJA 250R 1994 USA CALIFORNIA CANADA
FRAME EX250F8 NINJA 250R 1994 USA CALIFORNIA CANADA
prices are in EUR
ref
part #
description
quantity
600
600A0800
ref: 600
BALL-STEEL,1/4
600A0800
€ 0.50

32002
320021944
ref: 32002
FRAME-COMP
€ 869.50

46098
46098016
ref: 46098
CAP,STEERING STEM
46098016
€ 4.00

92002
920021950
ref: 92002
BOLT,FLANGED,16X22
920021950
€ 13.50

92047
92047011
ref: 92047
CONE-STRNG STM BRNG
92047011
€ 14.50

92048
92048006
ref: 92048
RACE-STRNG BEARIN-STE
92048006
€ 11.50

92048A
92048008
ref: 92048A
RACE-STRNG STM BRNG
92048008
€ 16.00

92090
92090007
ref: 92090
NUT-STEERING STEM LCK
92090007
€ 8.00