×
Genuine EN Kawasaki Parts delivered quickly!
home
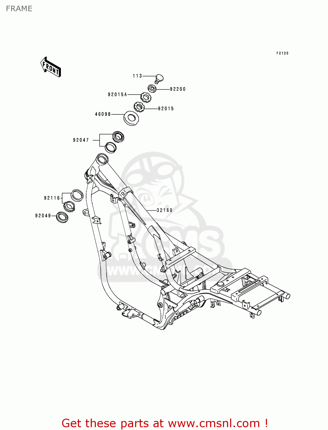
FRAME
EN500A1 VULCAN500 1990 USA CALIFORNIA
Frame diagram EN500A1 VULCAN500 1990 USA CALIFORNIA
FRAME EN500A1 VULCAN500 1990 USA CALIFORNIA
×
prices are in EUR
ref
part #
description
quantity
113
113G1425
ref: 113
BOLT-SMALL-FINE,14X25
€ 5.50
32160
321601107
ref: 32160
FRAME-COMP
€ 1,185.00
46098
46098017
ref: 46098
CAP,STEERING STEM
€ 4.00
92015
920151377
ref: 92015
NUT,25MM,T=10
€ 18.50
92015A
920151378
ref: 92015A
NUT,25MM,T=6
€ 14.50
92047
92047017
ref: 92047
CONE,STRNG,STEM
€ 49.50
92049
920491162
ref: 92049
SEAL-OIL,XMHE36X52X4J
€ 7.50
92116
921161009
ref: 92116
BEARING R,HR320/28XJ
€ 41.00
92200
922001140
ref: 92200
WASHER
€ 8.00
up
all assemblies
CYLINDER HEAD
CYLINDER HEAD COVER
CYLINDER/PISTON
AIR CLEANER
MUFFLERS
ROCKER ARMS/VALVES
CAMSHAFTS/TENSIONER
CRANKSHAFT
CLUTCH
TRANSMISSION
GEAR CHANGE DRUM/SHIFT FORKS
GEAR CHANGE MECHANISM
CRANKCASE
CRANKCASE BOLT PATTERN
ENGINE COVERS
BREATHER COVER/OIL PAN
CARBURETOR
CARBURETOR PARTS
FUEL EVAPORATIVE SYSTEM
OIL PUMP/OIL FILTER
GENERATOR
IGNITION SYSTEM
STARTER MOTOR
WATER PUMP
RADIATOR
FRAME
FRAME FITTINGS
BATTERY CASE
SWINGARM
SUSPENSION/SHOCK ABSORBER
FOOTRESTS
FENDERS(EN500-A1/A2/A3/A4)
STANDS
TIRES
FRONT WHEEL
REAR WHEEL/CHAIN/COUPLING
BRAKE PEDAL/TORQUE LINK
FRONT MASTER CYLINDER
FRONT BRAKE
HANDLEBAR
FRONT FORK
FUEL TANK(EN500-A1/A2/A3)
SEAT
METERS
CABLES
SIDE COVERS/CHAIN COVER(EN500-A1/A2/A3)
HEADLIGHT
TAILLIGHT
TURN SIGNALS
CHASSIS ELECTRICAL EQUIPMENT
IGNITION SWITCH/LOCKS/REFIECTORS
OWNER'S TOOLS
LABELS
DECALS(EN500-A1)(BLUE)
DECALS(EN500-A1)(RED)
PUBLICATIONS
MODEL IDENTIFCATION
up