Genuine BN Kawasaki Parts delivered quickly!

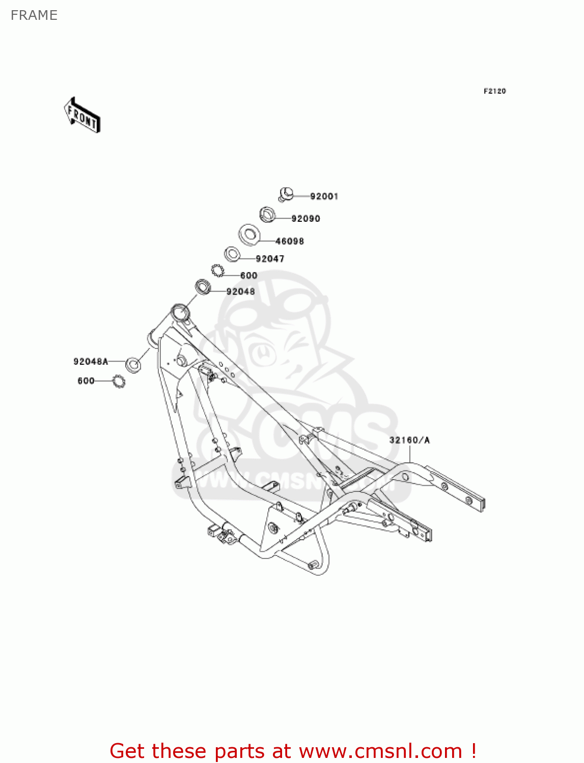
FRAME

BN125A7 ELIMINATOR 2004 USA CALIFORNIA CANADA

Frame diagram BN125A7 ELIMINATOR 2004 USA CALIFORNIA CANADA

FRAME BN125A7 ELIMINATOR 2004 USA CALIFORNIA CANADA
FRAME BN125A7 ELIMINATOR 2004 USA CALIFORNIA CANADA
FRAME BN125A7 ELIMINATOR 2004 USA CALIFORNIA CANADA
prices are in EUR
ref
part #
description
quantity
600
600A0800
ref: 600
BALL-STEEL,1/4
600A0800
€ 0.50

32160
321601644
ref: 32160

[CN,US
FRAME COMP, FR
€ 399.00

32160A
321601765
ref: 32160A

[CA]
FRAME-COMP
€ 332.50

46098
46098016
ref: 46098
CAP,STEERING STEM
46098016
€ 4.00

92001
920011488
ref: 92001
BOLT,FLANGED,16X22
920011488
€ 13.50

92047
92047011
ref: 92047
CONE-STRNG STM BRNG
92047011
€ 14.50

92048
92048006
ref: 92048
RACE-STRNG BEARIN-STE
92048006
€ 11.50

92048A
92048008
ref: 92048A
RACE-STRNG STM BRNG
92048008
€ 16.00

92090
92090007
ref: 92090
NUT-STEERING STEM LCK
92090007
€ 8.00