×
Genuine BN Kawasaki Parts delivered quickly!
home
FRAME
BN125A6 ELIMINATOR 2003 USA CANADA
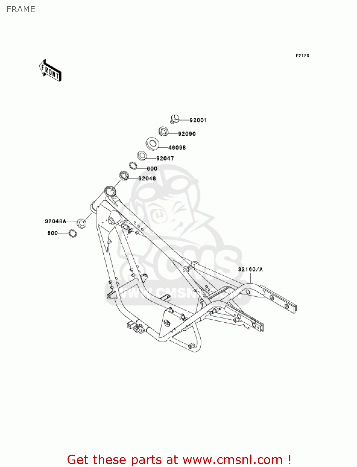
Frame diagram BN125A6 ELIMINATOR 2003 USA CANADA
FRAME BN125A6 ELIMINATOR 2003 USA CANADA
×
prices are in EUR
ref
part #
description
quantity
600
600A0800
ref: 600
BALL-STEEL,1/4
€ 0.50
32160
321601644
ref: 32160
FRAME COMP, FR
€ 399.00
46098
46098016
ref: 46098
CAP,STEERING STEM
€ 4.00
92001
920011488
ref: 92001
BOLT,FLANGED,16X22
€ 13.50
92047
92047011
ref: 92047
CONE-STRNG STM BRNG
€ 14.50
92048
92048006
ref: 92048
RACE-STRNG BEARIN-STE
€ 11.50
92048A
92048008
ref: 92048A
RACE-STRNG STM BRNG
€ 16.00
92090
92090007
ref: 92090
NUT-STEERING STEM LCK
€ 8.00
up
all assemblies
GEAR CHANGE DRUM/SHIFT FORK(S)
REAR WHEEL/CHAIN (A4-A6)
CAMSHAFT(S)/TENSIONER
IGNITION SWITCH/LOCKS/REFLECTORS
PUBLICATIONS
ENGINE COVER(S)
GEAR CHANGE MECHANISM
HANDLEBAR
IGNITION SYSTEM
SEAT
STAND(S)
FRAME
HEADLIGHT(S)
ENGINE MOUNT
CYLINDER HEAD
BRAKE PEDAL/TORQUE LINK
STARTER MOTOR
FRAME FITTINGS
TAILLIGHT(S)
CYLINDER/PISTON(S)
OIL PUMP/OIL FILTER
CRANKSHAFT
LABELS
METER(S)
DECALS (EBONY/SILVER)(A4-A6)
DECALS (RED/GRAY)(A5/A6)
SWINGARM
TURN SIGNALS
AIR CLEANER (CN,US)
FRONT FORK
CABLES
TIRES
SUSPENSION/SHOCK ABSORBER
MUFFLER(S)
FUEL TANK
SIDE COVERS/CHAIN COVER
FRONT MASTER CYLINDER
FRONT BRAKE
OWNER'S TOOLS
VALVE(S)
FOOTRESTS
CRANKCASE
CLUTCH
CARBURETOR
FRONT WHEEL
GENERATOR
FENDERS
CHASSIS ELECTRICAL EQUIPMENT
TRANSMISSION
up