×
Genuine AR Kawasaki Parts delivered quickly!
home
AR125B5 1988 UNITED KINGDOM
CYLINDER HEAD/CYLINDER
15 products
AIR FILTER
12 products
MUFFLER
13 products
CRANKSHAFT/PISTON
23 products
KICKSTARTER MECHANISM
22 products
CLUTCH
16 products
TRANSMISSION
19 products
CHANGE DRUM/SHIFT FORK
15 products
GEAR CHANGE MECHANISM
19 products
CRANKCASE
27 products
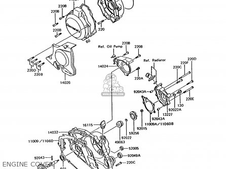
ENGINE COVER
33 products
CARBURETOR
40 products
OIL PUMP
21 products
GENERATOR
5 products
IGNITION COIL
11 products
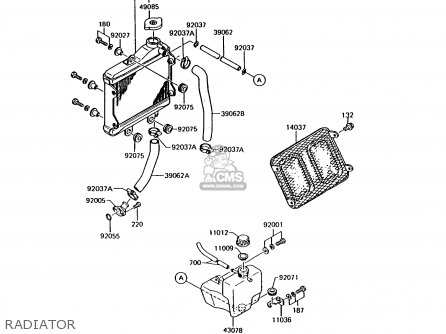
RADIATOR
23 products
FRAME
6 products
FRAME FITTING
13 products
BATTERY CASE
9 products
SWING ARM
12 products
SUSPENSION/SHOCK ABSORBER
15 products
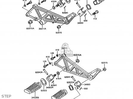
STEP
21 products
FENDER
16 products
STAND
13 products
TIRE
3 products
FRONT HUB
13 products
REAR HUB
29 products
BRAKE PEDAL
17 products
FRONT MASTER CYLINDER
20 products
FRONT CALIPER
14 products
HANDLEBAR
21 products
FRONT FORK
28 products
FUEL TANK
23 products
OIL TANK
4 products
SEAT
17 products
METER
20 products
CABLE
11 products
SIDE COVER/CHAIN CASE
8 products
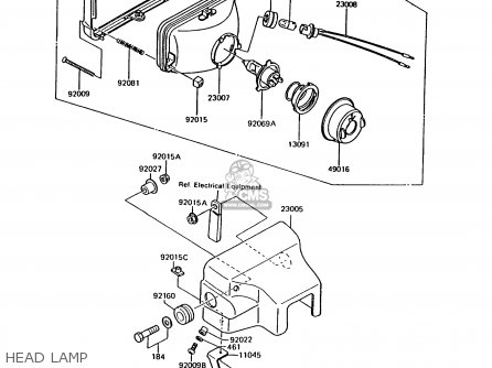
HEAD LAMP
26 products
TAIL LAMP
12 products
TURN SIGNAL
12 products
ELECTRICAL EQUIPMENT
15 products
IGNITION SWITCH
19 products
TOOL
12 products
LABEL
19 products
COWLING
35 products
Publications
0 products
Model Identification
0 products
up
popular products
92081122
SPRING,RATCHET
Kawasaki
230481068
LENS-SIGNAL LAMP
Kawasaki
920811492
SPRING,CLUTCH
Kawasaki
130881016
PLATE-FRICTION (NAS)
Kawasaki