×
Genuine AN Kawasaki Parts delivered quickly!
home
AN112D3 KAZER 2004 CANADA
REAR HUB
29 products
CAMSHAFT(S)/TENSIONER
13 products
DECALS (RED)
11 products
IGNITION SWITCH
11 products
ENGINE COVER(S)
17 products
GEAR CHANGE MECHANISM
13 products
LEG SHIELD
24 products
HANDLEBAR
18 products
IGNITION SYSTEM
8 products
SEAT
23 products
STAND(S)
9 products
FRAME
8 products
HEADLIGHT(S)
7 products
CYLINDER HEAD
22 products
BRAKE PEDAL
14 products
STARTER MOTOR
18 products
CARRIER(S)
2 products
FRAME FITTINGS
12 products
TAILLIGHT(S)
9 products
CYLINDER/PISTON(S)
11 products
OIL PUMP
11 products
CRANKSHAFT
11 products
LABELS
5 products
DECALS (GREEN)
11 products
METER(S)
9 products
SWINGARM/SHOCK ABSORBER
15 products
AIR CLEANER
16 products
FRONT FORK
18 products
CABLES
6 products
TIRES
17 products
MUFFLER(S)
12 products
FUEL TANK
14 products
KICKSTARTER MECHANISM
17 products
SIDE COVERS/CHAIN COVER
10 products
FRONT MASTER CYLINDER
18 products
FRONT BRAKE
14 products
OWNER'S TOOLS
10 products
VALVE(S)
13 products
FOOTRESTS
17 products
CRANKCASE
25 products
CLUTCH
27 products
CARBURETOR
32 products
FRONT HUB
18 products
GENERATOR
11 products
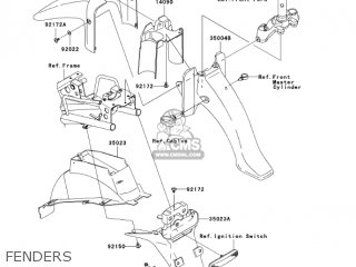
FENDERS
11 products
CHASSIS ELECTRICAL EQUIPMENT
12 products
PUBLICATIONS
1 products
TRANSMISSION
18 products
GEAR CHANGE DRUM/SHIFT FORK(S)
13 products
up
popular products
920261605
SPACER
Kawasaki
920481122
RACE,STEERING STEM BE
Kawasaki
110091332
GASKET,DRAIN PLUG (NAS)
Kawasaki
920451171
BEARING-BALL,6804
Kawasaki