×
Genuine AN Kawasaki Parts delivered quickly!
home
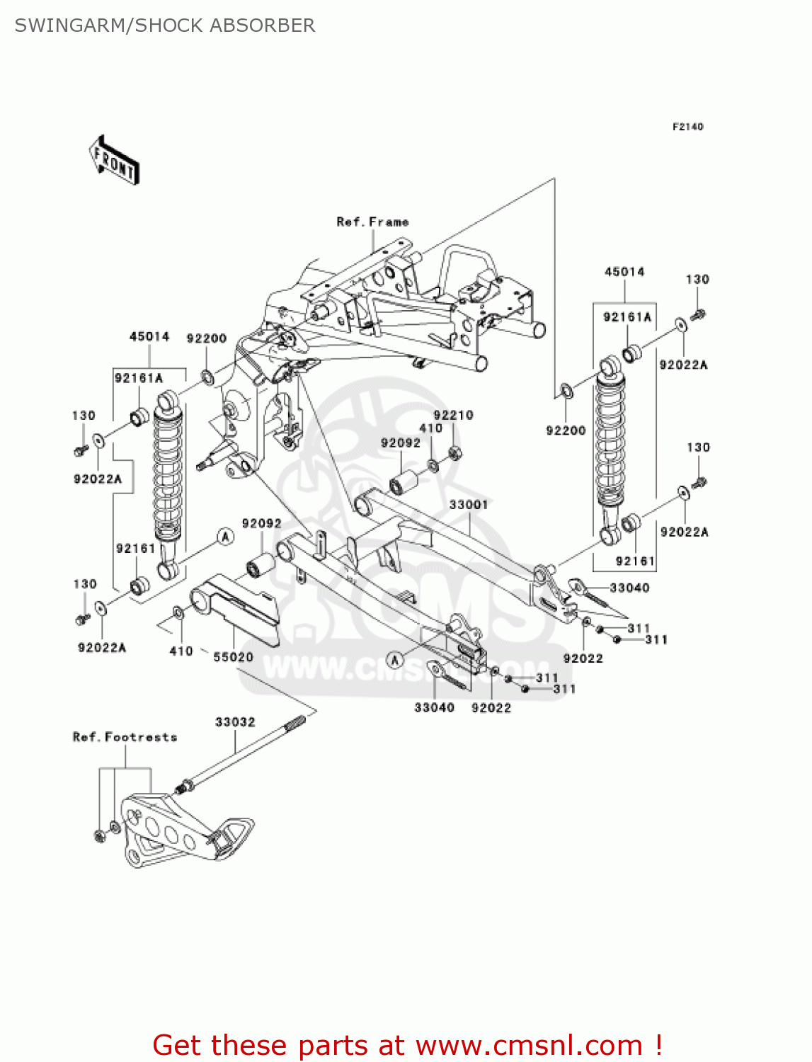
SWINGARM/SHOCK ABSORBER
AN112D2 KAZER 2003 CANADA
Swingarm/shock absorber diagram AN112D2 KAZER 2003 CANADA
SWINGARM/SHOCK ABSORBER AN112D2 KAZER 2003 CANADA
×
prices are in EUR
ref
part #
description
quantity
130
130G0616
ref: 130
BOLT-FLANGED,6X16
€ 0.50
311
311B0600
ref: 311
NUT,6MM
€ 0.50
410
410F1200
ref: 410
410F1200
33001
330010018
ref: 33001
ARM-COMP-SWING
€ 27.50
33032
330321184
ref: 33032
SHAFT-SWING ARM
€ 45.50
33040
330401006
ref: 33040
ADJUSTER-CHAIN
€ 6.50
45014
450140003
ref: 45014
SHOCKABSORBER
€ 43.50
55020
550201770
ref: 55020
GUARD,CHAIN
€ 3.50
92022
920221565
ref: 92022
WASHER,6.5X16X2
€ 2.50
92022A
920221690
ref: 92022A
WASHER
€ 2.50
92092
920921088
ref: 92092
BUSHING-RUBBER
€ 6.50
92161
921611262
ref: 92161
DAMPER,SHOCKABSORBER
€ 0.50
92161A
921611263
ref: 92161A
DAMPER,SHOCKABSORBER
€ 1.00
92200
922001607
ref: 92200
WASHER,17X26X1.6
€ 0.50
92210
922101085
ref: 92210
NUT,SWING ARM SHAFT,M
€ 2.50
up
all assemblies
SIDE COVERS/CHAIN COVER
LEG SHIELD
HEADLIGHT(S)
TAILLIGHT(S)
CHASSIS ELECTRICAL EQUIPMENT
IGNITION SWITCH
CARBURETOR
OWNER'S TOOLS
LABELS
DECALS (GREEN)
FRAME
FRAME FITTINGS
OIL PUMP
SWINGARM/SHOCK ABSORBER
FOOTRESTS
FENDERS
STAND(S)
DECALS (RED)
TIRES
FRONT HUB
GENERATOR
REAR HUB
IGNITION SYSTEM
BRAKE PEDAL
STARTER MOTOR
FRONT MASTER CYLINDER
FRONT BRAKE
CYLINDER HEAD
CYLINDER/PISTON(S)
AIR CLEANER
MUFFLER(S)
PUBLICATIONS
HANDLEBAR
FRONT FORK
VALVE(S)
CAMSHAFT(S)/TENSIONER
FUEL TANK
CRANKSHAFT
KICKSTARTER MECHANISM
CLUTCH
TRANSMISSION
GEAR CHANGE DRUM/SHIFT FORK(S)
GEAR CHANGE MECHANISM
SEAT
CARRIER(S)
METER(S)
CABLES
CRANKCASE
ENGINE COVER(S)
up