×
Genuine unknown Kawasaki Parts delivered quickly!
home
F4 SIDEWINDER 1968 USA
GEAR CHANGE MECHANISM
25 products
KICKSTARTER MECHANISM
25 products
IGNITION/GENERATOR/RECTIFIER
38 products
FRAME/FRAME FITTINGS
29 products
SWING ARM/SHOCK ABSORBERS
39 products
FOOTRESTS/STAND/BRAKE PEDAL
17 products
HANDLEBAR
40 products
FRONT FORK
55 products
WHEELS/TIRES
18 products
FRONT HUB/BRAKE
27 products
REAR HUB/BRAKE/CHAIN
38 products
FENDERS
19 products
FUEL TANK
23 products
SIDE COVER/CHAIN COVER
7 products
OIL TANK
16 products
SEAT
11 products
CABLES
14 products
METER
11 products
HEADLIGHT
30 products
TAILLIGHT
40 products
CHASSIS ELECTRICAL EQUIPMENT
29 products
ENGINE COVERS
25 products
OIL PUMP
22 products
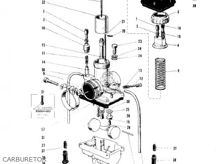
CARBURETOR
46 products
AIR CLEANER
16 products
MUFFLER
24 products
OWNER TOOLS
13 products
OPTIONAL PARTS
27 products
CYLINDER HEAD/CYLINDER
16 products
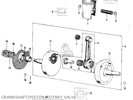
CRANKSHAFT/PISTON/ROTARY VALVE
28 products
CRANKCASE
28 products
CLUTCH
28 products
TRANSMISSION/CHANGE DRUM
42 products
up
popular products
16019008
GASKET,FLOAT CHAMBER (NAS)
Kawasaki
601B6305
BEARING-BALL,#6305C3
Kawasaki
92069059
BULB,12V 32/3CP
Kawasaki
42020004
SPRING-BRAKE SHOE
Kawasaki