×
Genuine unknown Kawasaki Parts delivered quickly!
home
A1 SAMURAI 1966 EUROPE USA
GEAR CHANGE MECHANISM
16 products
KICKSTARTER MECHANISM
19 products
ENGINE COVERS
36 products
CARBURETOR VM22SC, VM26SC
83 products
CARBURETOR VM22SC, VM28SC
76 products
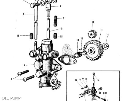
OIL PUMP
27 products
AIR CLEANER
12 products
MUFFLER A1, A7
26 products
FRONT HUB/BRAKE
35 products
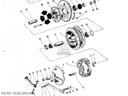
REAR HUB/BRAKE
42 products
FENDERS
43 products
FUEL TANK (1)
46 products
FUEL TANK (2)
23 products
IGNITION CDI
34 products
FRAME A1/A7
34 products
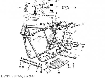
FRAME A1/SS, A7/SS
40 products
FRAME A1/SS, A7/SS, U.S. MODELS
33 products
FOOTRESTS/STANDS/BRAKE PEDAL
38 products
STEERING DAMPER
16 products
WHEELS/TIRES
15 products
IGNITION/GENERATOR A1
44 products
IGNITION/GENERATOR A1/A7
47 products
IGNITION/GENERATOR A1/A1SS/A7/A7
48 products
OIL TANK
45 products
SEAT/SIDE COVERS
50 products
CABLES
26 products
HEADLIGHT/TAILLIGHT/METERS 1
68 products
HEADLIGHT/TAILLIGHT/METERS 2
84 products
HANDLEBAR A1/SS, A7/SS
62 products
HANDLEBAR A1/SSA, A7/SSA
50 products
CHASSIS ELECTRICAL EQUIPMENT
37 products
TOOLS
16 products
OPTIONAL PARTS
28 products
CRANKSHAFT/PISTONS A1/A1SS
31 products
CRANKCASE
70 products
CLUTCH
33 products
TRANSMISSION
51 products
up
popular products
16007011
THROTTLE VALVE SPRING SEAT
Kawasaki
16022007
SPRING-THR STOP SCREW
Kawasaki
21156012
CONTACT BREAKER PLATE
Kawasaki
920491294
SEAL-OIL,CAMSHAFT,"X"
Kawasaki