Genuine ZX Kawasaki Parts delivered quickly!

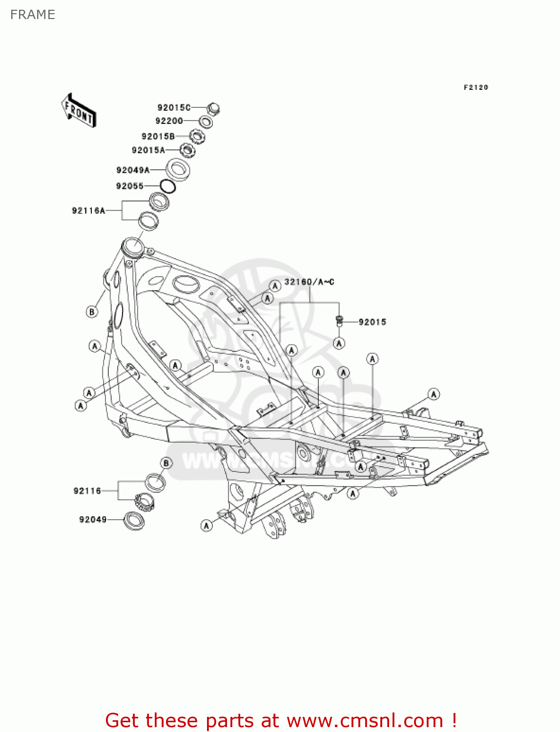
FRAME

ZX600E9 NINJA ZX6 2001 USA CALIFORNIA CANADA

Frame diagram ZX600E9 NINJA ZX6 2001 USA CALIFORNIA CANADA

FRAME ZX600E9 NINJA ZX6 2001 USA CALIFORNIA CANADA
FRAME ZX600E9 NINJA ZX6 2001 USA CALIFORNIA CANADA
FRAME ZX600E9 NINJA ZX6 2001 USA CALIFORNIA CANADA
prices are in EUR
ref
part #
description
quantity
32160
321601387CQ
ref: 32160

[CA,US
FRAME-COMP,AL,P.C.GRA
€ 828.00

32160A
321601387EZ
ref: 32160A

[CN]
FRAME-COMP,AL,C.GRAY
€ 1,855.50

92015
920151791
ref: 92015
NUT,POP,6MM
920151791
€ 3.00

92015A
920151803
ref: 92015A
NUT,25MM
920151803
€ 18.50

92015B
920151810
ref: 92015B
NUT,25MM
920151810
€ 14.50

92015C
920151873
ref: 92015C
NUT,CAP,22MM
920151873
€ 19.50

92049
920491162
ref: 92049
SEAL-OIL,XMHE36X52X4J
920491162
€ 7.50

92049A
920491313
ref: 92049A
SEAL-OIL,XMH33 70 6.4
920491313
€ 14.50

92055
920551459
ref: 92055
RING-O,ID=24.5
920551459
€ 3.00

92116
921161009
ref: 92116
BEARING R,HR320/28XJ
921161009
€ 41.00

92116A
921161056
ref: 92116A
BEARING-ROLLER
921161056
€ 48.50

92200
922001126
ref: 92200
WASHER,22.5X36X3.2
922001126
€ 6.00