Genuine ZR Kawasaki Parts delivered quickly!

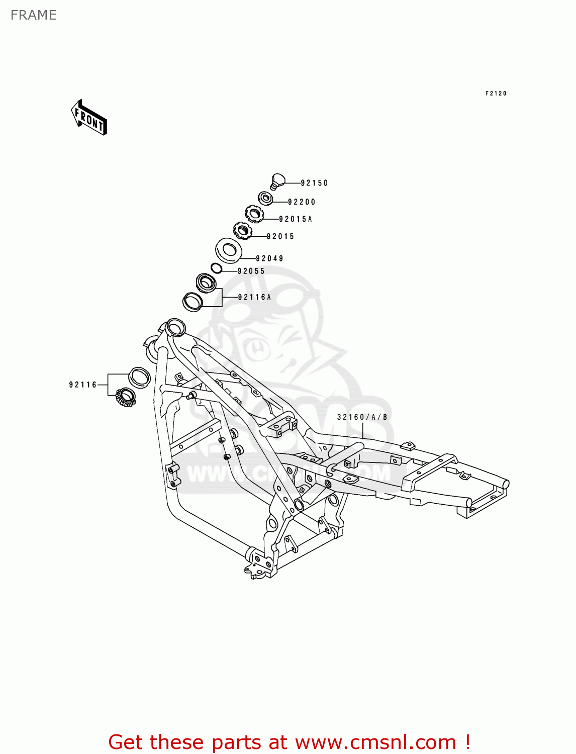
FRAME

ZR550B5 ZEPHYR 1994 UNITED KINGDOM FR NL FG GR SD SP

Frame diagram ZR550B5 ZEPHYR 1994 UNITED KINGDOM FR NL FG GR SD SP

FRAME ZR550B5 ZEPHYR 1994 UNITED KINGDOM FR NL FG GR SD SP
FRAME ZR550B5 ZEPHYR 1994 UNITED KINGDOM FR NL FG GR SD SP
FRAME ZR550B5 ZEPHYR 1994 UNITED KINGDOM FR NL FG GR SD SP
prices are in EUR
ref
part #
description
quantity
32160A
321601304EZ
ref: 32160A

FGFRGRNLSP
FRAME-COMP,C.GRAY
€ 1,097.50

32160B
321601362EZ
ref: 32160B

UK
FRAME-COMP,C.GRAY
€ 1,305.50

92015
920151803
ref: 92015
NUT,25MM
920151803
€ 18.50

92015A
920151810
ref: 92015A
NUT,25MM
920151810
€ 14.50

92049
920491214
ref: 92049
SEAL-OIL,STEERING STE
920491214
€ 11.00

92055
920551459
ref: 92055
RING-O,ID=24.5
920551459
€ 3.00

92116
921161009
ref: 92116
BEARING R,HR320/28XJ
921161009
€ 41.00

92116A
921161056
ref: 92116A
BEARING-ROLLER
921161056
€ 48.50

92150
921501672
ref: 92150
BOLT,14X25
921501672
€ 9.50

92200
922001140
ref: 92200
WASHER
922001140
€ 8.00