×
Genuine ZR Kawasaki Parts delivered quickly!
home
FENDERS
ZR1100A1 1992 CANADA
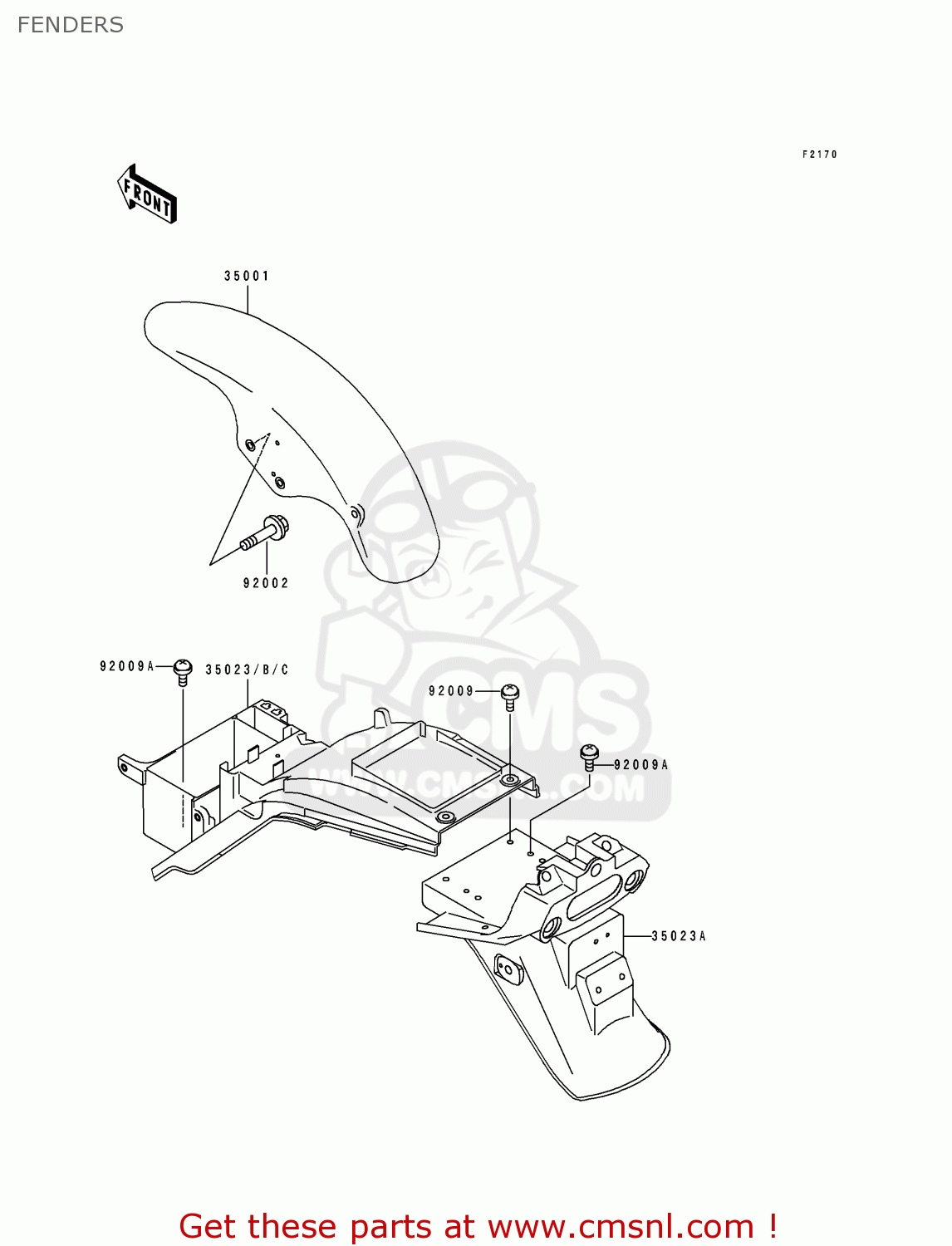
Fenders diagram ZR1100A1 1992 CANADA
FENDERS ZR1100A1 1992 CANADA
×
prices are in EUR
ref
part #
description
quantity
35001
350011157P5
ref: 35001
FENDER-ASSY-FRONT,L.V
€ 175.50
35023
350231334
ref: 35023
FENDER-REAR,FR
€ 77.50
35023A
350231335
ref: 35023A
FENDER-REAR,RR
€ 124.50
92002
920021134
ref: 92002
BOLT,8X20
€ 3.00
92009
920091181
ref: 92009
SCREW,6X18
€ 2.00
92009A
920091288
ref: 92009A
SCREW,6X14
€ 2.00
up
all assemblies
CYLINDER HEAD
CYLINDER HEAD COVER
CYLINDER/PISTON(S)
AIR CLEANER
MUFFLER(S)
VALVE(S)
CAMSHAFT(S)/TENSIONER
CRANKSHAFT
SECONDARY SHAFT
BALANCER
CLUTCH
TRANSMISSION
GEAR CHANGE DRUM/SHIFT FORK(S)
GEAR CHANGE MECHANISM
CRANKCASE
CRANKCASE BOLT PATTERN
ENGINE COVER(S)
BREATHER COVER/OIL PAN
CARBURETOR(&NAMI.026547)
CARBURETOR PARTS
OIL PUMP/OIL FILTER
GENERATOR
IGNITION SYSTEM
STARTER MOTOR
OIL COOLER
FRAME
FRAME FITTINGS
BATTERY CASE
SWINGARM
SUSPENSION/SHOCK ABSORBER
FOOTRESTS
FENDERS
STAND(S)
TIRES
FRONT WHEEL
REAR WHEEL/CHAIN
BRAKE PEDAL/TORQUE LINK
FRONT MASTER CYLINDER
FRONT BRAKE
REAR MASTER CYLINDER
REAR BRAKE
HANDLEBAR
FRONT FORK
CLUTCH MASTER CYLINDER
FUEL TANK
SEAT
METER(S)
CABLES
SIDE COVERS/CHAIN COVER
HEADLIGHT(S)
TAILLIGHT(S)
TURN SIGNALS
CHASSIS ELECTRICAL EQUIPMENT
IGNITION SWITCH/LOCKS/REFLECTORS
OWNER'S TOOLS
LABELS
DECALS(ZR1100-A1)
Publications
Model Identification
up