Genuine ZG Kawasaki Parts delivered quickly!

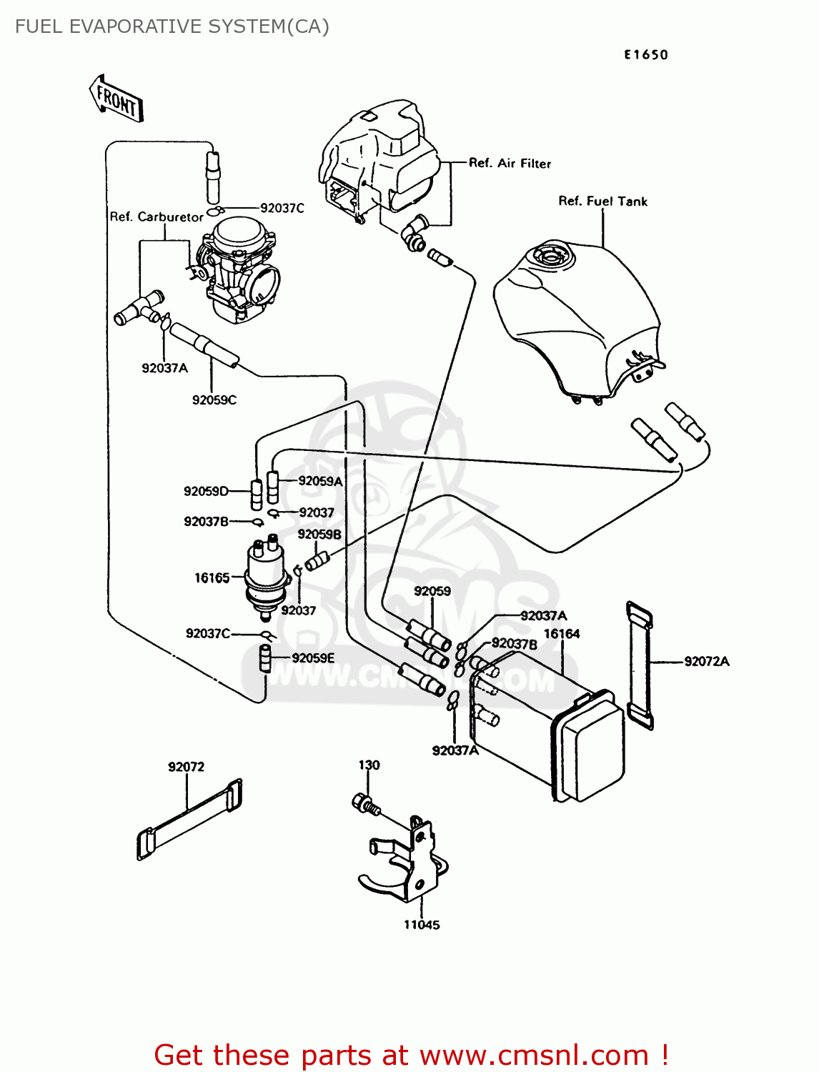
FUEL EVAPORATIVE SYSTEM(CA)

ZG1000A7 CONCOURS 1992 USA CALIFORNIA CANADA

Fuel evaporative system(ca) diagram ZG1000A7 CONCOURS 1992 USA CALIFORNIA CANADA

FUEL EVAPORATIVE SYSTEM(CA) ZG1000A7 CONCOURS 1992 USA CALIFORNIA CANADA
FUEL EVAPORATIVE SYSTEM(CA) ZG1000A7 CONCOURS 1992 USA CALIFORNIA CANADA
FUEL EVAPORATIVE SYSTEM(CA) ZG1000A7 CONCOURS 1992 USA CALIFORNIA CANADA
prices are in EUR
ref
part #
description
quantity
130
130C0610
ref: 130

CA
BOLT-FLANGED,6X10,BLA
130C0610
€ 1.50

11045
110451163
ref: 11045

CA
SEPARATOR BRACKET
€ 7.00

16164
161641064
ref: 16164

CA
CANISTER
€ 77.00

16165
161651001
ref: 16165

CA
SEPARATOR
161651001
€ 69.50

92037
92037010
ref: 92037

CA
CLAMP-FUEL PIPE
92037010
€ 2.50

92037A
920371104
ref: 92037A

CA
CLAMP,HOSE
920371104
€ 1.00

92037B
92037147
ref: 92037B

CA
CLAMP,CHAIN OILER
92037147
€ 4.50

92037C
920371712
ref: 92037C

CA
CLAMP
920371712
€ 3.00

92059
920591406
ref: 92059

CA
TUBE 7X12X390 GREEN
€ 28.00

92059A
920591407
ref: 92059A

CA
TUBE,5X8X430
€ 18.50

92059B
920591419
ref: 92059B

CA
TUBE,5X8X550
€ 14.00

92059C
920591440
ref: 92059C

CA
TUBE,7X1 2X440
€ 28.00

92059D
920591498
ref: 92059D

CA
TUBE,5X10X230,BLUE
€ 13.00

92059E
920591690
ref: 92059E

CA
TUBE,4X9X705,WHITE
€ 7.50

92072
92072071
ref: 92072

CA
BAND,BATTERY
92072071
€ 6.50

92072A
920721214
ref: 92072A

CA
BAND
€ 6.50