×
Genuine ZG Kawasaki Parts delivered quickly!
home
ZG1000A14 1000GTR 1999 UNITED KINGDOM FR NL FG NR SD ST
CYLINDER HEAD
23 products
CYLINDER HEAD COVER
13 products
CYLINDER/PISTON(S)
17 products
AIR CLEANER
26 products
MUFFLER(S)
26 products
VALVE(S)
16 products
CAMSHAFT(S)/TENSIONER
16 products
CRANKSHAFT
19 products
BALANCER
37 products
CLUTCH
45 products
TRANSMISSION
31 products
GEAR CHANGE DRUM/SHIFT FORK(S)
14 products
GEAR CHANGE MECHANISM
26 products
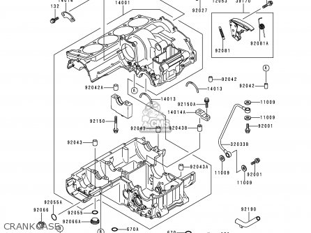
CRANKCASE
37 products
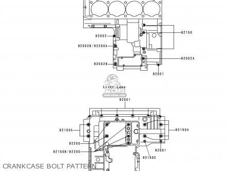
CRANKCASE BOLT PATTERN
11 products
ENGINE COVER(S)
21 products
BREATHER COVER/OIL PAN
15 products
CARBURETOR
54 products
CARBURETOR PARTS
32 products
OIL PUMP
43 products
GENERATOR
27 products
IGNITION SYSTEM
16 products
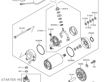
STARTER MOTOR
23 products
RADIATOR
67 products
OIL COOLER
13 products
FRONT BEVEL GEAR
82 products
DRIVE SHAFT/FINAL GEAR
67 products
FRAME
14 products
FRAME FITTINGS
10 products
BATTERY CASE
22 products
SWINGARM
11 products
SUSPENSION
12 products
FOOTRESTS
27 products
FENDERS
19 products
STAND(S)
7 products
TIRES
6 products
FRONT HUB
17 products
REAR HUB
16 products
BRAKE PEDAL
7 products
SHOCK ABSORBER(S)
10 products
FRONT MASTER CYLINDER
30 products
FRONT BRAKE
21 products
REAR MASTER CYLINDER
22 products
REAR BRAKE
16 products
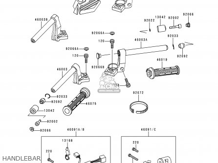
HANDLEBAR
23 products
FRONT FORK(ZG1000-A14/A15)
24 products
CLUTCH MASTER CYLINDER
27 products
FUEL TANK
33 products
SEAT
25 products
METER(S)
23 products
CABLES
7 products
SIDE COVERS
11 products
HEADLIGHT(S)
7 products
HEADLIGHT(S)
8 products
TAILLIGHT(S)
21 products
TURN SIGNALS
17 products
CHASSIS ELECTRICAL EQUIPMENT
23 products
IGNITION SWITCH
29 products
OWNER'S TOOLS
18 products
LABELS
10 products
DECALS
3 products
COWLING
56 products
COWLING LOWERS
45 products
ACCESSORY
27 products
PUBLICATIONS
0 products
MODEL IDENTIFCATION
0 products
up
popular products
920751854
DAMPER,SIDE COVER
Kawasaki
920631074
MAIN JET,2ND #128
Kawasaki
920271545
COLLAR,17X25X92
Kawasaki
390621386
HOSE-COOLING
Kawasaki