×
Genuine VN Kawasaki Parts delivered quickly!
home
VN800B1 VULCAN 800 CLASSIC 1996 USA CALIFORNIA CANADA
CYLINDER HEAD
27 products
CYLINDER HEAD COVER
8 products
CYLINDER/PISTON(S)
13 products
AIR CLEANER
37 products
MUFFLER(S)
17 products
VALVE(S)
42 products
CAMSHAFT(S)/TENSIONER
14 products
CRANKSHAFT
22 products
CLUTCH
17 products
TRANSMISSION
23 products
GEAR CHANGE DRUM/SHIFT FORK(S)
18 products
GEAR CHANGE MECHANISM
18 products
CRANKCASE
27 products
CRANKCASE BOLT PATTERN
4 products
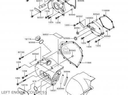
LEFT ENGINE COVER(S)
31 products
RIGHT ENGINE COVER(S)
10 products
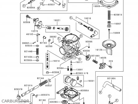
CARBURETOR
56 products
FUEL EVAPORATIVE SYSTEM
12 products
OIL PUMP/OIL FILTER
39 products
GENERATOR
10 products
IGNITION SYSTEM
12 products
STARTER MOTOR
28 products
RADIATOR
52 products
FRAME
11 products
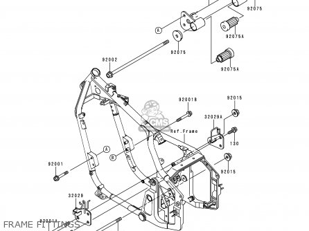
FRAME FITTINGS
12 products
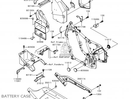
BATTERY CASE
32 products
SWINGARM
15 products
SUSPENSION/SHOCK ABSORBER
19 products
FOOTRESTS
20 products
FENDERS(VN800-B1/B2/B3)
19 products
STAND(S)
4 products
TIRES
20 products
FRONT WHEEL
9 products
REAR WHEEL/CHAIN
34 products
BRAKE PEDAL/TORQUE LINK
19 products
FRONT MASTER CYLINDER
20 products
FRONT BRAKE
17 products
HANDLEBAR(VN800-B1)
28 products
FRONT FORK
41 products
FUEL TANK(1/4)(VN800-B1)
35 products
SEAT
4 products
METER(S)(VN800-B1)
18 products
CABLES
8 products
SIDE COVERS/CHAIN COVER
10 products
HEADLIGHT(S)
14 products
TAILLIGHT(S)
19 products
TURN SIGNALS
13 products
CHASSIS ELECTRICAL EQUIPMENT
21 products
IGNITION SWITCH/LOCKS/REFLECTORS
21 products
OWNER'S TOOLS
17 products
LABELS
10 products
DECALS(GREEN/SILVER)(VN800-B1/B2)
6 products
DECALS(EBONY/BLUE)(VN800-B1)
6 products
DECALS(WHITE/RED)(VN800-B1)
6 products
GASKET KIT
24 products
PUBLICATIONS
0 products
MODEL IDENTIFCATION
0 products
up
popular products
410291243
SPOKE-INNER,RR,77MMX1
Kawasaki
921431773
COLLAR,6.8X13X20
Kawasaki
610A0404
ROLLER,4X4
Kawasaki
410301135
SPOKE-OUTER,RR,80MMX1
Kawasaki