×
Genuine VN Kawasaki Parts delivered quickly!
home
VN750A5 VN750 TWIN 1989 EUROPE FR UK FG NR SD ST
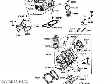
CYLINDER HEAD
28 products
CYLINDER HEAD COVER
26 products
CYLINDER/PISTON(S)
20 products
AIR CLEANER
32 products
MUFFLER(S)
24 products
VALVE(S)
11 products
CAMSHAFT(S)/TENSIONER
34 products
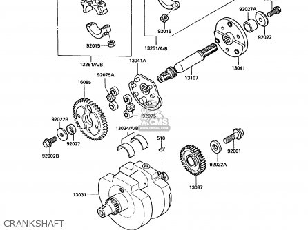
CRANKSHAFT
25 products
CLUTCH
22 products
TRANSMISSION
21 products
GEAR CHANGE DRUM/SHIFT FORK(S)
18 products
GEAR CHANGE MECHANISM
17 products
CRANKCASE
36 products
ENGINE COVER(S)
23 products
CARBURETOR
54 products
CARBURETOR PARTS
50 products
OIL PUMP
42 products
GENERATOR
7 products
IGNITION SYSTEM
20 products
STARTER MOTOR
28 products
RADIATOR
59 products
FRONT BEVEL GEAR
50 products
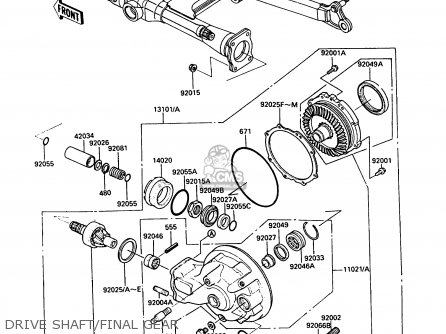
DRIVE SHAFT/FINAL GEAR
49 products
FRAME
17 products
FRAME FITTINGS
9 products
BATTERY CASE
25 products
SWINGARM
8 products
SUSPENSION/SHOCK ABSORBER
9 products
FOOTRESTS
19 products
FENDERS
8 products
STAND(S)
12 products
TIRES
6 products
FRONT HUB
17 products
REAR HUB
24 products
BRAKE PEDAL
19 products
FRONT MASTER CYLINDER
27 products
FRONT BRAKE
18 products
HANDLEBAR
26 products
FRONT FORK
34 products
FUEL TANK
30 products
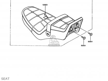
SEAT
3 products
METER(S)
33 products
CABLES
13 products
SIDE COVERS
5 products
HEADLIGHT(S)
29 products
TAILLIGHT(S)
23 products
TURN SIGNALS
10 products
CHASSIS ELECTRICAL EQUIPMENT
16 products
IGNITION SWITCH
22 products
OWNER'S TOOLS
13 products
LABELS
9 products
DECALS
10 products
Publications
0 products
Model Identification
0 products
up
popular products
920491210
SEAL-OIL,S3141 5.5
Kawasaki
161261173
VALVE,VACUUM
Kawasaki
560181667
MARK,CLUTCH COVER
Kawasaki
920751688
DAMPER,FUSE & RELAY B
Kawasaki