×
Genuine VN Kawasaki Parts delivered quickly!
home
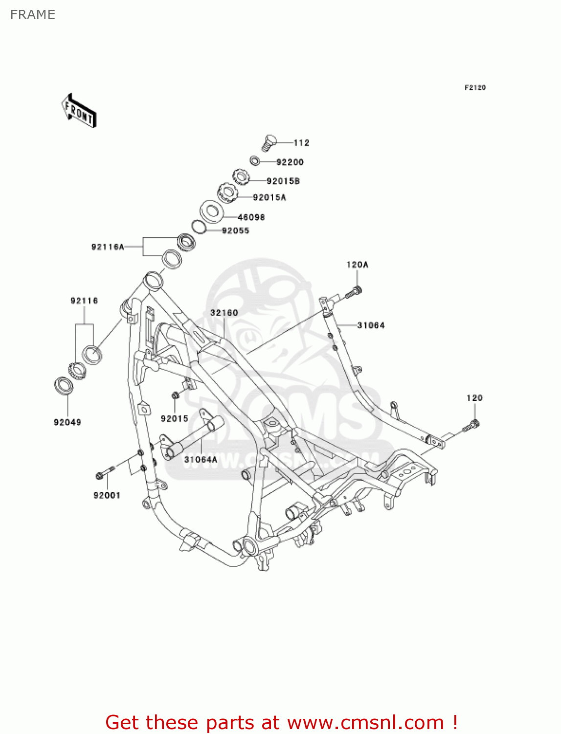
FRAME
VN750A21 VULCAN 750 2005 USA CALIFORNIA
Frame diagram VN750A21 VULCAN 750 2005 USA CALIFORNIA
FRAME VN750A21 VULCAN 750 2005 USA CALIFORNIA
×
prices are in EUR
ref
part #
description
quantity
112
112G1425
ref: 112
BOLT-UPSET
€ 5.50
120
120S1020
ref: 120
BOLT-SOCKET
€ 3.00
120A
120S1030
ref: 120A
BOLT-SOCKET,10X30
€ 3.50
31064
310641058
ref: 31064
PIPE-COMP,SUB FRAME
€ 267.50
31064A
310641059
ref: 31064A
PIPE-COMP
€ 112.00
32160
321601314
ref: 32160
FRAME-COMP
€ 2,077.50
46098
46098017
ref: 46098
CAP,STEERING STEM
€ 4.00
92001
920011615
ref: 92001
BOLT,FLANGED,8X60
€ 4.00
92015
920151021
ref: 92015
NUT,10MM
€ 3.00
92015A
920151377
ref: 92015A
NUT,25MM,T=10
€ 18.50
92015B
920151378
ref: 92015B
NUT,25MM,T=6
€ 14.50
92049
920491162
ref: 92049
SEAL-OIL,XMHE36X52X4J
€ 7.50
92055
920551459
ref: 92055
RING-O,ID=24.5
€ 3.00
92116
921161009
ref: 92116
BEARING R,HR320/28XJ
€ 41.00
92116A
921161058
ref: 92116A
BEARING-ROLLER,HI-CAP
€ 45.00
92200
922001140
ref: 92200
WASHER
€ 8.00
up
all assemblies
IGNITION SWITCH/LOCKS/REFLECTORS
IGNITION SYSTEM
SEAT
STAND(S)
CRANKCASE
LABELS
PUBLICATIONS
STARTER MOTOR
DECALS (EBONY/SILVER)
RADIATOR
METER(S)
CLUTCH
SIDE COVERS
FRONT MASTER CYLINDER
ENGINE COVER(S)
FRONT BRAKE
CABLES
FRONT BEVEL GEAR
FRAME
DRIVE SHAFT/FINAL GEAR
TRANSMISSION
GEAR CHANGE DRUM/SHIFT FORK(S)
HEADLIGHT(S)
ENGINE MOUNT
GEAR CHANGE MECHANISM
TIRES
CARBURETOR
FRAME FITTINGS
CARBURETOR PARTS
CYLINDER HEAD
TAILLIGHT(S)
CYLINDER HEAD COVER
CYLINDER/PISTON(S)
SWINGARM
OWNER'S TOOLS
TURN SIGNALS
OIL PUMP/OIL FILTER
HANDLEBAR
FRONT WHEEL
VALVE(S)
AIR CLEANER
SUSPENSION/SHOCK ABSORBER
REAR WHEEL/CHAIN
FOOTRESTS
MUFFLER(S)
GENERATOR
FUEL EVAPORATIVE SYSTEM (CA)
FUEL TANK
FENDERS
CAMSHAFT(S)/TENSIONER
CHASSIS ELECTRICAL EQUIPMENT
FRONT FORK
BRAKE PEDAL/TORQUE LINK
CRANKSHAFT
up