Genuine VN Kawasaki Parts delivered quickly!

BRAKE PEDAL

VN1500L1H VN1500 CLASSIC TOURER FI 2000 EUROPE UK

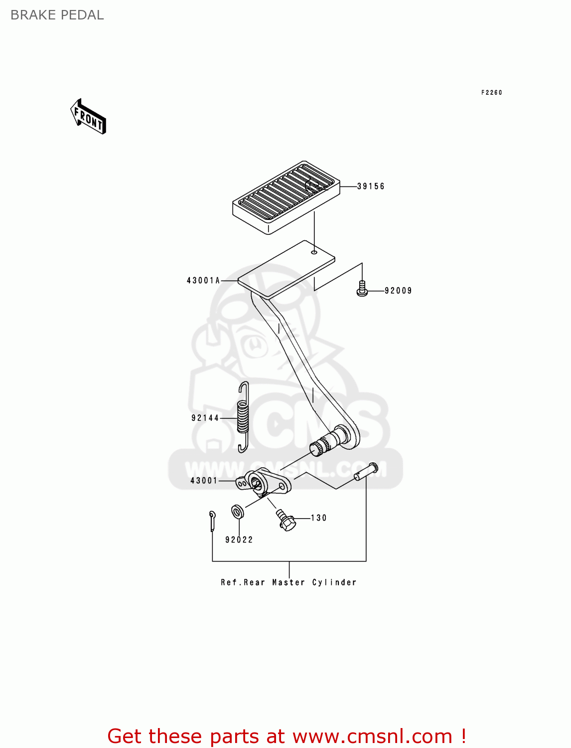
Brake pedal diagram VN1500L1H VN1500 CLASSIC TOURER FI 2000 EUROPE UK

BRAKE PEDAL VN1500L1H VN1500 CLASSIC TOURER FI 2000 EUROPE UK
BRAKE PEDAL VN1500L1H VN1500 CLASSIC TOURER FI 2000 EUROPE UK
BRAKE PEDAL VN1500L1H VN1500 CLASSIC TOURER FI 2000 EUROPE UK
prices are in EUR
ref
part #
description
quantity
130
130J0830
ref: 130
BOLT-FLANGED,8X30
130J0830
€ 2.50

39156
391561624
ref: 39156
PAD,BRAKE PEDAL
391561624
€ 11.50

43001
430011399
ref: 43001
LEVER-BRAKE
€ 28.00

43001A
430011411
ref: 43001A
LEVER-BRAKE,PEDAL
€ 77.00

92009
920091677
ref: 92009
SCREW,6X8,BLACK
920091677
€ 2.50

92022
920221582
ref: 92022
WASHER,8.5X16X1.2
€ 0.50

92144
921441169
ref: 92144
SPRING,BRAKE PEDAL RE
921441169
€ 6.50