×
Genuine KZ Kawasaki Parts delivered quickly!
home
KZ650C1 CUSTOM 1977 USA CANADA / MPH KPH
REAR BRAKE
27 products
FRONT WHEEL/TIRE/HUB
32 products
REAR WHEEL/TIRE/HUB/CHAIN
40 products
FENDERS
18 products
FUEL TANK
33 products
SIDE COVERS/SEAT COVER/CHAIN COV
26 products
SEAT
24 products
CRANKCASE BOLT & STUD PATTERN
10 products
CLUTCH
26 products
TRANSMISSION
48 products
GEAR CHANGE MECHANISM
40 products
CHASSIS ELECTRICAL EQUIPMENT
32 products
OWNER TOOLS
20 products
SPECIAL SERVICE TOOLS "A"
27 products
SPECIAL SERVICE TOOLS "B"
26 products
CABLES
8 products
METERS/IGNITION SWITCH
33 products
HEADLIGHT
21 products
TAILLIGHT
17 products
TURN SIGNALS
21 products
CYLINDER HEAD COVER
22 products
CYLINDER HEAD
25 products
CAMSHAFTS/VALVES
38 products
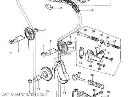
CAM CHAIN/TENSIONER
33 products
CYLINDERS/PISTONS/CRANKSHAFT
30 products
SECONDARY SHAFT/STARTER CLUTCH
30 products
CRANKCASE/BREATHER COVER
23 products
KICKSTARTER MECHANISM
29 products
ENGINE COVERS
31 products
OIL PUMP/OIL FILTER/OIL PAN
36 products
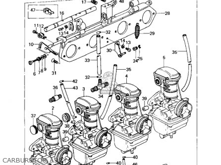
CARBURETOR ASSY
158 products
CARBURETOR PARTS
161 products
CARBURETORS/ACCELERATOR PUMP (US
26 products
AIR CLEANER
30 products
MUFFLERS
38 products
FRONT FORK
37 products
FRONT MASTER CYLINDER (KZ650-C1)
35 products
FRONT MASTER CYLINDER (KZ650-C2/
28 products
FRONT BRAKE
25 products
REAR MASTER CYLINDER
21 products
IGNITION/REGULATOR/RECTIFIER
37 products
GENERATOR/STARTER MOTOR
32 products
FRAME/FRAME FITTINGS
40 products
BATTERY CASE/TOOL CASE
17 products
SWING ARM/SHOCK ABSORBERS
41 products
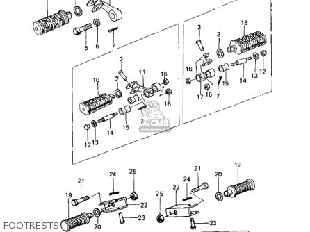
FOOTRESTS
28 products
STANDS/BRAKE PEDAL
21 products
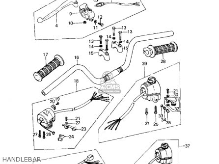
HANDLEBAR
39 products
up
popular products
13161042
LEVER-COMP-CHANGE SHA
Kawasaki
53056002
HOOK,SEAT
Kawasaki
45016008
BUSHING,SHOCK ABSORB
Kawasaki
920631033
JET-MAIN,#A100R
Kawasaki