×
Genuine KZ Kawasaki Parts delivered quickly!
home
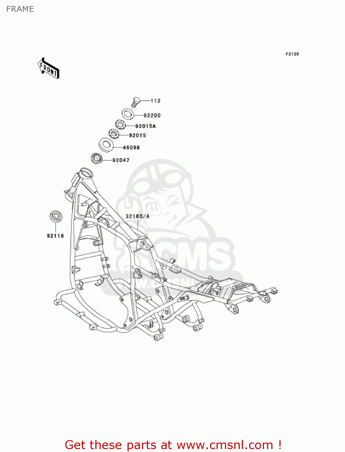
FRAME
KZ1000P21 POLICE 1000 2002 USA
Frame diagram KZ1000P21 POLICE 1000 2002 USA
FRAME KZ1000P21 POLICE 1000 2002 USA
×
prices are in EUR
ref
part #
description
quantity
112
112G1425
ref: 112
BOLT-UPSET
€ 5.50
32160A
321601717
ref: 32160A
FRAME-COMP
€ 1,223.50
46098
46098017
ref: 46098
CAP,STEERING STEM
€ 4.00
92015
920151128
ref: 92015
NUT,25MM,T=10
€ 18.50
92015A
920151129
ref: 92015A
NUT,25MM,T=6
€ 14.50
92047
92047017
ref: 92047
CONE,STRNG,STEM
€ 49.50
92116
921161009
ref: 92116
BEARING R,HR320/28XJ
€ 41.00
92200
922001140
ref: 92200
WASHER
€ 8.00
up
all assemblies
OIL PUMP/OIL FILTER
DECALS
CRANKSHAFT
LABELS
METER(S)
SWINGARM/SHOCK ABSORBER
TURN SIGNALS
AIR CLEANER
FRONT FORK (P21/P22/P24)
COWLING (P21/P22/P24)
CABLES
TIRES
MUFFLER(S)
FUEL TANK (P21/P22/P24)
GUARD(S)
SIDE COVERS/CHAIN COVER (P21-P24
FRONT MASTER CYLINDER (P21/P22/P
FRONT BRAKE (P21/P22)
REAR MASTER CYLINDER (P21/P22/P2
REAR BRAKE (P21/P22)
OWNER'S TOOLS
VALVE(S)
FOOTRESTS
CRANKCASE
CRANKCASE BOLT PATTERN
CLUTCH
CARBURETOR
CARBURETOR PARTS
FRONT WHEEL
GENERATOR
FENDERS
CHASSIS ELECTRICAL EQUIPMENT
TRANSMISSION
GEAR CHANGE DRUM/SHIFT FORK(S)
REAR WHEEL/CHAIN
CAMSHAFT(S)/TENSIONER
IGNITION SWITCH/LOCKS/REFLECTORS
ENGINE COVER(S)
BREATHER COVER/OIL PAN
PUBLICATIONS
GEAR CHANGE MECHANISM
ACCESSORY
HANDLEBAR
IGNITION SYSTEM
SEAT
STAND(S)
FRAME
HEADLIGHT(S)
ENGINE MOUNT
CYLINDER HEAD
CYLINDER HEAD COVER
ACCESSORY
BRAKE PEDAL/TORQUE LINK
STARTER MOTOR
CARRIER(S)
FRAME FITTINGS
TAILLIGHT(S)
CYLINDER/PISTON(S)
up