×
Genuine KZ Kawasaki Parts delivered quickly!
home
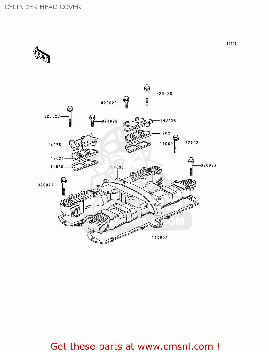
CYLINDER HEAD COVER
KZ1000P17 KE1000 POLICE 1998 USA
Cylinder head cover diagram KZ1000P17 KE1000 POLICE 1998 USA
CYLINDER HEAD COVER KZ1000P17 KE1000 POLICE 1998 USA
×
prices are in EUR
ref
part #
description
quantity
11060
110601066
ref: 11060
GASKET,REED VALVE (NAS)
€ 6.00
11060A
110601691
ref: 11060A
GASKET,CYLINDER HEAD (NAS)
€ 54.50
12021
120211008
ref: 12021
VALVE-ASSY-REED
€ 53.50
14075
140755018
ref: 14075
CAP-ASSY,REED VALVE,L
€ 61.50
14075A
140755019
ref: 14075A
CAP-ASSY,REED VALVE,R
€ 44.50
14090
140901419
ref: 14090
CYLINDER HEAD COVER,SILVER
€ 195.00
92002
920021151
ref: 92002
BOLT,6X45
€ 2.50
92002A
920021152
ref: 92002A
BOLT, 6 * 52
€ 3.50
92002B
920021154
ref: 92002B
BOLT,6X22
€ 3.00
92002C
920021155
ref: 92002C
BOLT,6X70
€ 3.50
up
all assemblies
CYLINDER HEAD
CYLINDER HEAD COVER
CYLINDER/PISTON(S)
AIR CLEANER
MUFFLER(S)
VALVE(S)
CAMSHAFT(S)/TENSIONER
CRANKSHAFT
CLUTCH
TRANSMISSION
GEAR CHANGE DRUM/SHIFT FORK(S)
GEAR CHANGE MECHANISM
CRANKCASE
CRANKCASE BOLT PATTERN
ENGINE COVER(S)
BREATHER COVER/OIL PAN
CARBURETOR
CARBURETOR PARTS
OIL PUMP/OIL FILTER
GENERATOR
IGNITION SYSTEM
STARTER MOTOR
FRAME
FRAME FITTINGS
BATTERY CASE
SWINGARM/SHOCK ABSORBER
FOOTRESTS
FENDERS
STAND(S)
TIRES
FRONT WHEEL
REAR WHEEL/CHAIN
BRAKE PEDAL/TORQUE LINK
FRONT MASTER CYLINDER
FRONT BRAKE
REAR MASTER CYLINDER
REAR BRAKE
HANDLEBAR
FRONT FORK
FUEL TANK
SEAT
CARRIER(S)
METER(S)
CABLES
SIDE COVERS/CHAIN COVER
GUARD(S)
HEADLIGHT(S)
TAILLIGHT(S)
TURN SIGNALS
CHASSIS ELECTRICAL EQUIPMENT
IGNITION SWITCH/LOCKS/REFLECTORS
OWNER'S TOOLS
LABELS
COWLING
ACCESSORY
PUBLICATIONS
MODEL IDENTIFCATION
up