×
Genuine KX Kawasaki Parts delivered quickly!
home
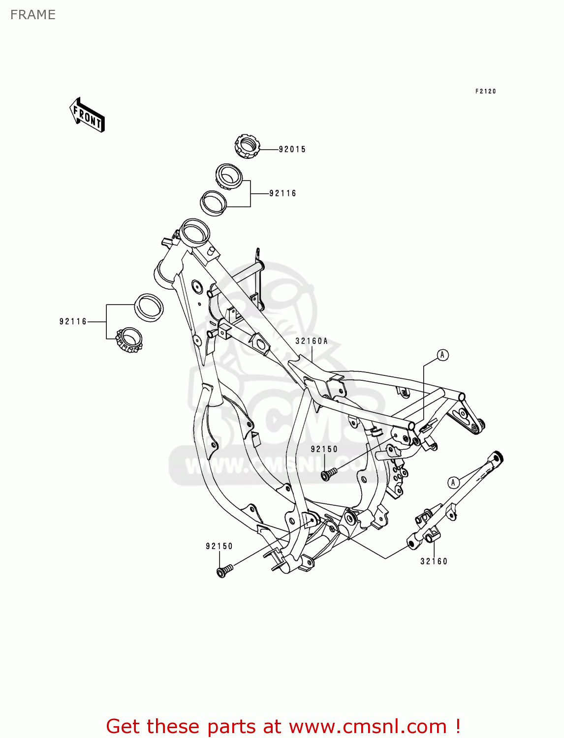
FRAME
KX65-A1 2000 USA CANADA
Frame diagram KX65-A1 2000 USA CANADA
FRAME KX65-A1 2000 USA CANADA
×
prices are in EUR
ref
part #
description
quantity
32160
321601611CC
ref: 32160
FRAME-COMP,SUB,L.GREE
€ 73.00
32160A
321601658CC
ref: 32160A
FRAME-COMP,L.GREEN
€ 582.50
92015
920151684
ref: 92015
NUT,STEERING STEM,25M
€ 15.50
92116
921161065
ref: 92116
BEARING-ROLLER,H1-CAP
€ 48.50
92150
921501839
ref: 92150
BOLT
€ 1.50
up
all assemblies
CYLINDER HEAD/CYLINDER
AIR CLEANER
MUFFLER(S)
CRANKSHAFT/PISTON(S)
KICKSTARTER MECHANISM
CLUTCH
TRANSMISSION
GEAR CHANGE DRUM/SHIFT FORK(S)
GEAR CHANGE MECHANISM
CRANKCASE
ENGINE COVER(S)
CARBURETOR
GENERATOR
IGNITION SYSTEM
RADIATOR
FRAME
FRAME FITTINGS
SWINGARM
REAR SUSPENSION
FOOTRESTS
FENDERS
STAND(S)
WHEELS/TIRES
FRONT HUB
REAR HUB
BRAKE PEDAL
SHOCK ABSORBER(S)
FRONT MASTER CYLINDER
FRONT BRAKE
REAR MASTER CYLINDER
REAR BRAKE
HANDLEBAR
FRONT FORK
FUEL TANK
SEAT
CABLES
SIDE COVERS
OWNER'S TOOLS
LABELS
OPTIONAL PARTS
ACCESSORY
2000 KX65-A1 7F LIME GREEN
PUBLICATIONS
MODEL IDENTIFCATION
up