×
Genuine KX Kawasaki Parts delivered quickly!
home
HANDLEBAR
KX60-B3 1987 USA
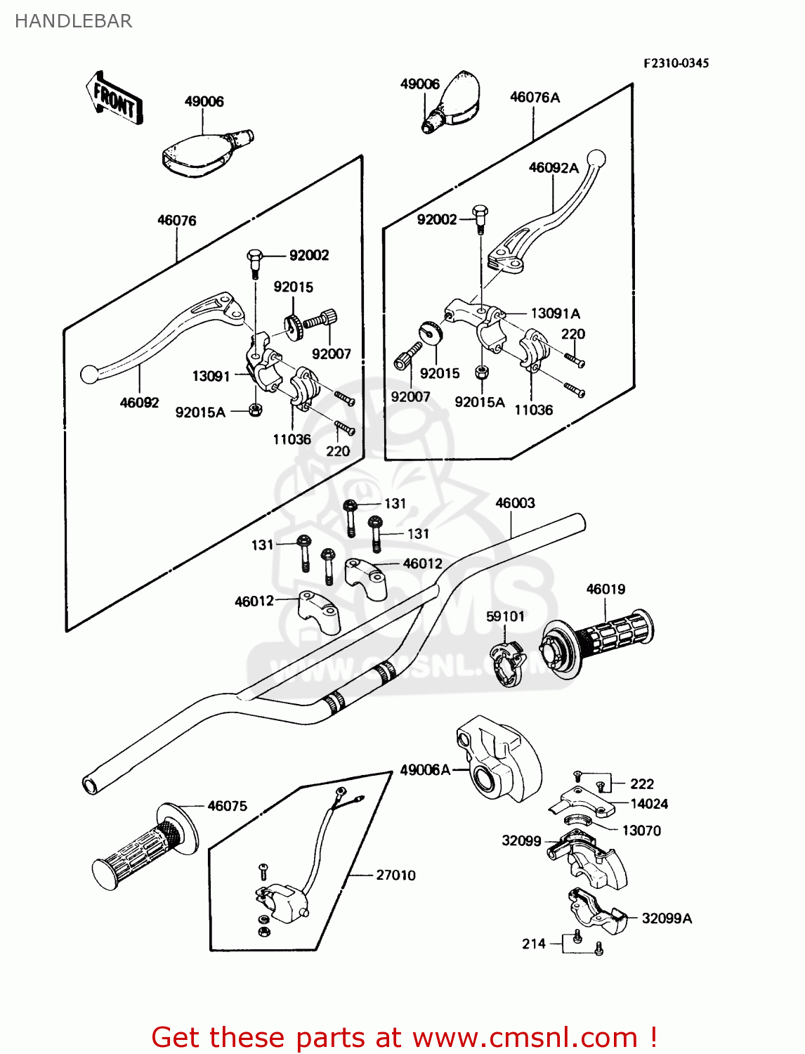
Handlebar diagram KX60-B3 1987 USA
HANDLEBAR KX60-B3 1987 USA
×
prices are in EUR
ref
part #
description
quantity
131
130G0830
ref: 131
BOLT,8X30
€ 1.00
214
214C0518
ref: 214
SCREW-PAN+-
€ 2.00
220
220C0514
ref: 220
SCREW-PAN-CROS
€ 1.00
222
222E0412
ref: 222
SCREW-CSK-RD-CROS
€ 2.50
11036
110361297
ref: 11036
BRACKET-A,LEVER HOLDE
€ 12.00
13070
130701074
ref: 13070
GUIDE,THROTTLE
€ 4.00
13091
130911131
ref: 13091
HOLDER,CLUTCH LEVER
€ 31.50
13091A
130911135
ref: 13091A
HOLDER,BRAKE LEVER
€ 19.00
14024
140251646
ref: 14024
COVER,THROTTLE CASE U
€ 6.50
27010
270101161
ref: 27010
SWITCH,ENGINE STOP
€ 38.00
32099
320991036
ref: 32099
CASE,THROTTLE UPP
€ 25.00
32099A
320991044
ref: 32099A
CASE,THROTTLE LWR
€ 13.50
46003
460031108
ref: 46003
HANDLE
€ 80.00
46012
460121119
ref: 46012
HOLDER-HANDLE,UPP
€ 21.00
46019
460191054
ref: 46019
GRIP-ASSY,THROTTLE
€ 27.50
46075
460751024
ref: 46075
GRIP,LH
€ 13.50
46076
460761106
ref: 46076
LEVER-ASSY-GRIP,LH
€ 44.00
46076A
460761107
ref: 46076A
LEVER-ASSY-GRIP,RH
€ 54.00
46092
460921047
ref: 46092
LEVER-GRIP,CLUTCH
€ 10.50
46092A
460921048
ref: 46092A
LEVER-GRIP,BRAKE
€ 13.00
49006
490061017
ref: 49006
BOOTS,LEVER HOLDER
€ 13.00
49006A
490061097
ref: 49006A
BOOT,THROTTLE CASE
€ 12.00
59101
591011102
ref: 59101
REEL,THROTTLE
€ 7.50
92002
920021150
ref: 92002
BOLT,LEVER SET
€ 4.50
92007
920071143
ref: 92007
BOLT,CABLE ADJUST,8M/
€ 21.00
92015
46056006
ref: 92015
NUT,CABLE ADJUST NUT
€ 6.00
92015A
92019008
ref: 92015A
NUT-LOCK,6MM
€ 3.00
up
all assemblies
CYLINDER HEAD/CYLINDER
AIR CLEANER
MUFFLER(S)
CRANKSHAFT/PISTON(S)
KICKSTARTER MECHANISM
CLUTCH
TRANSMISSION
GEAR CHANGE DRUM/SHIFT FORK(S)
GEAR CHANGE MECHANISM
CRANKCASE
ENGINE COVER(S)
CARBURETOR
GENERATOR
IGNITION SYSTEM
RADIATOR
FRAME
FRAME FITTINGS
SWINGARM
REAR SUSPENSION
FOOTRESTS
FENDERS
STAND(S)
WHEELS/TIRES
FRONT HUB
REAR HUB
BRAKE PEDAL
SHOCK ABSORBER(S)
HANDLEBAR
FRONT FORK
FUEL TANK
SEAT
CABLES
SIDE COVERS
OWNER'S TOOLS
LABELS
OPTIONAL PARTS
ACCESSORY
1985 KX60-B1 00
1986 KX60-B2 00
1987 KX60-B3 00
1988 KX60-B4 00
Publications
Model Identification
up