×
Genuine KX Kawasaki Parts delivered quickly!
home
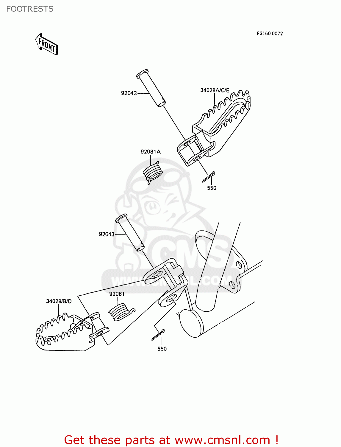
FOOTRESTS
KX60-B2 1986 UNITED KINGDOM
Footrests diagram KX60-B2 1986 UNITED KINGDOM
FOOTRESTS KX60-B2 1986 UNITED KINGDOM
×
prices are in EUR
ref
part #
description
quantity
550
550D2515
ref: 550
PIN COTTER,295X15
€ 0.50
34028B
340281169
ref: 34028B
STEP,LH
€ 23.50
34028C
340281170
ref: 34028C
STEP,RH
€ 28.00
92043
920431143
ref: 92043
PIN,8X32
€ 8.00
92081
920811491
ref: 92081
SPRING,FOOTREST
€ 4.00
92081A
920811543
ref: 92081A
SPRING,FOOTREST,RH
€ 4.00
up
all assemblies
CYLINDER HEAD/CYLINDER
AIR CLEANER
MUFFLER(S)
CRANKSHAFT/PISTON(S)
KICKSTARTER MECHANISM
CLUTCH
TRANSMISSION
GEAR CHANGE DRUM/SHIFT FORK(S)
GEAR CHANGE MECHANISM
CRANKCASE
ENGINE COVER(S)
CARBURETOR(KX60-B1/B2/B3)
GENERATOR
IGNITION SYSTEM
RADIATOR
FRAME
FRAME FITTINGS
SWINGARM
SUSPENSION
FOOTRESTS
FENDERS
STAND(S)
TIRES
FRONT HUB
REAR HUB
BRAKE PEDAL
SHOCK ABSORBER(S)
HANDLEBAR
FRONT FORK
FUEL TANK
SEAT
CABLES
SIDE COVERS
OWNER'S TOOLS
LABELS
OPTIONAL PARTS(SPROCKET-HAB)
ACCESSORY
1985 KX60-B1 00
1986 KX60-B2 00
1987 KX60-B3 00
1988 KX60-B4 00
1989 KX60-B5 00
Publications
Model Identification
up