×
Genuine KX Kawasaki Parts delivered quickly!
home
KX60-A2 1984 A1/A2
CHANGE DRUM/SHIFT FORK
8 products
GEAR CHANGE MECHANISM
9 products
CRANKCASE
19 products
ENGINE COVER
9 products
CYLINDER HEAD
12 products
AIR FILTER
9 products
MUFFLER
11 products
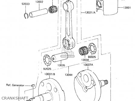
CRANKSHAFT
16 products
KICKSTARTER MECHANISM
19 products
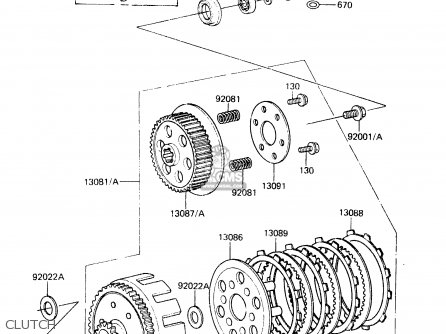
CLUTCH
20 products
TRANSMISSION
18 products
CARBURETOR
42 products
GENERATOR
9 products
IGNITION COIL
6 products
FRONT HUB
16 products
REAR HUB
29 products
BRAKE PEDAL
12 products
SHOCK ABSORBER
12 products
HANDLEBAR
26 products
FRAME
16 products
SWING ARM
19 products
SUSPENSION
18 products
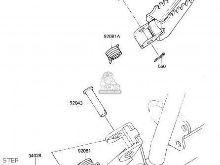
STEP
6 products
FENDER
8 products
STAND
6 products
TIRE
17 products
ACCESSORY
7 products
OPTIONAL PARTS
9 products
FRONT FORK
26 products
FUEL TANK
13 products
SEAT
3 products
CABLE
8 products
SIDE COVER
7 products
TOOL
2 products
LABEL
4 products
PUBLICATIONS
0 products
MODEL IDENTIFICATION
0 products
up
popular products
16006023
SPRING,THROTTLE VALV
Kawasaki
110091310
GASKET,CYLINDER BASE (MCA)
Kawasaki
920271077
COLLAR,20X25X12.5
Kawasaki
120231019
HOLDER-VALVE,REED
Kawasaki