×
Genuine KX Kawasaki Parts delivered quickly!
home
OPTIONAL PARTS
KX250-L2 2000 USA CANADA
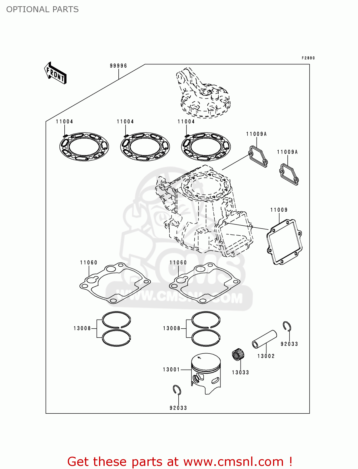
Optional parts diagram KX250-L2 2000 USA CANADA
OPTIONAL PARTS KX250-L2 2000 USA CANADA
×
prices are in EUR
ref
part #
description
quantity
11004
110041240
ref: 11004
GASKET-HEAD,T=0.26 (NAS)
€ 28.00
11009
110091950
ref: 11009
GASKET,REED VALVE (NAS)
€ 7.50
11009A
110091960
ref: 11009A
GASKET,GOVERNOR COVER (NAS)
€ 3.50
11060
110601493
ref: 11060
GASKET,CYLINDER BASE (NAS)
€ 10.50
13001
130011550
ref: 13001
PISTON-ENGINE
€ 125.50
13002
130021098
ref: 13002
PIN-PISTON
€ 19.00
13008
130081173
ref: 13008
RING-SET-PISTON
€ 64.00
13033
130331010
ref: 13033
BEARING-NEEDLE,KBK18X
€ 22.50
92033
920331267
ref: 92033
RING-SNAP,PISTON PIN
€ 3.00
99996
999961282
ref: 99996
TOP END REPAIR KIT,KX250L
€ 212.50
up
all assemblies
CYLINDER HEAD/CYLINDER
AIR CLEANER
MUFFLER(S)
CRANKSHAFT/PISTON(S)
KICKSTARTER MECHANISM
CLUTCH
TRANSMISSION
GEAR CHANGE DRUM/SHIFT FORK(S)
GEAR CHANGE MECHANISM
CRANKCASE
ENGINE COVER(S)
CARBURETOR
GENERATOR
IGNITION SYSTEM
RADIATOR
FRAME
FRAME FITTINGS
SWINGARM
REAR SUSPENSION
FOOTRESTS
FENDERS
STAND(S)
WHEELS/TIRES
FRONT HUB
REAR HUB
BRAKE PEDAL
SHOCK ABSORBER(S)
FRONT MASTER CYLINDER
FRONT BRAKE
REAR MASTER CYLINDER
REAR BRAKE
HANDLEBAR
FRONT FORK
FUEL TANK
SEAT
CABLES
SIDE COVERS
OWNER'S TOOLS
LABELS
CHAIN KIT
OPTIONAL PARTS
ACCESSORY
2000 KX250-L2 7F LIME GREEN
PUBLICATIONS
MODEL IDENTIFCATION
up