×
Genuine KX Kawasaki Parts delivered quickly!
home
KX250-K3 1996 EUROPE FR AS
CYLINDER HEAD/CYLINDER
62 products
AIR CLEANER
12 products
MUFFLER(S)
18 products
CRANKSHAFT/PISTON(S)
15 products
KICKSTARTER MECHANISM
21 products
CLUTCH
18 products
TRANSMISSION
20 products
GEAR CHANGE DRUM/SHIFT FORK(S)
9 products
GEAR CHANGE MECHANISM
12 products
CRANKCASE
37 products
ENGINE COVER(S)
49 products
CARBURETOR
50 products
GENERATOR
9 products
IGNITION SYSTEM
8 products
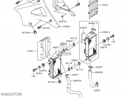
RADIATOR
19 products
FRAME
8 products
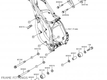
FRAME FITTINGS
14 products
SWINGARM
25 products
SUSPENSION
15 products
FOOTRESTS
6 products
FENDERS
10 products
STAND(S)
1 products
TIRES
18 products
FRONT HUB
8 products
REAR HUB
24 products
BRAKE PEDAL
4 products
SHOCK ABSORBER(S)
18 products
FRONT MASTER CYLINDER
26 products
FRONT BRAKE
19 products
REAR MASTER CYLINDER
26 products
REAR BRAKE
20 products
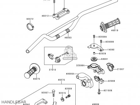
HANDLEBAR
27 products
FRONT FORK
53 products
FUEL TANK
16 products
SEAT
3 products
CABLES
4 products
SIDE COVERS
4 products
OWNER'S TOOLS
2 products
LABELS
7 products
ACCESSORY
2 products
1996 KX250-K3 7F LIME GREEN
0 products
Publications
0 products
Model Identification
0 products
up
popular products
410801388
DISC,RR
Kawasaki
110041241
GASKET-HEAD,T=0.46 (NAS)
Kawasaki
92065073
GASKET,12.5X18X1,DRAI (NAS)
Kawasaki
131591063
CONNECTOR,THROTTLE CA
Kawasaki