×
Genuine KX Kawasaki Parts delivered quickly!
home
KX125-L1 1999 USA CANADA
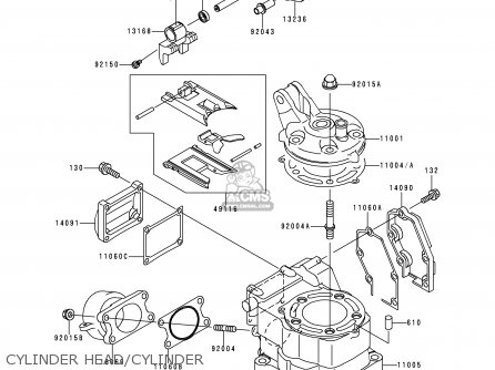
CYLINDER HEAD/CYLINDER
28 products
AIR CLEANER
11 products
MUFFLER(S)
18 products
CRANKSHAFT/PISTON(S)
17 products
KICKSTARTER MECHANISM
20 products
CLUTCH
18 products
TRANSMISSION
19 products
GEAR CHANGE DRUM/SHIFT FORK(S)
9 products
GEAR CHANGE MECHANISM
13 products
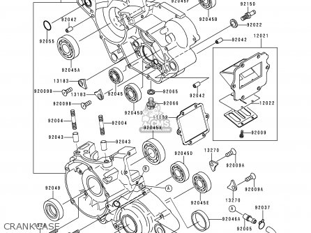
CRANKCASE
40 products
ENGINE COVER(S)
49 products
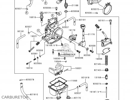
CARBURETOR
69 products
GENERATOR
15 products
IGNITION SYSTEM
9 products
RADIATOR
22 products
FRAME
7 products
FRAME FITTINGS
21 products
SWINGARM
22 products
REAR SUSPENSION
20 products
FOOTRESTS
6 products
FENDERS
12 products
STAND(S)
1 products
WHEELS/TIRES
19 products
FRONT HUB
9 products
REAR HUB
25 products
BRAKE PEDAL
5 products
SHOCK ABSORBER(S)
18 products
FRONT MASTER CYLINDER
28 products
FRONT BRAKE
17 products
REAR MASTER CYLINDER
24 products
REAR BRAKE
20 products
HANDLEBAR
27 products
FRONT FORK
44 products
FUEL TANK
17 products
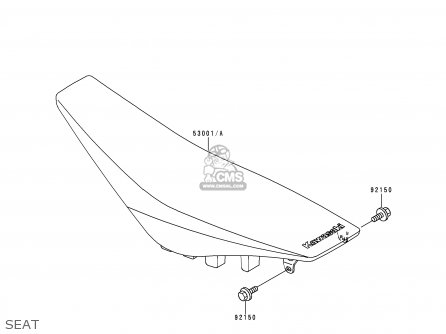
SEAT
3 products
CABLES
2 products
SIDE COVERS
5 products
OWNER'S TOOLS
2 products
LABELS
8 products
CHAIN KIT
2 products
OPTIONAL PARTS
9 products
ACCESSORY
3 products
1999 KX125-L1 7F LIME GREEN
0 products
PUBLICATIONS
0 products
MODEL IDENTIFCATION
0 products
up
popular products
131441293
SPROCKET-OUTPUT,12T
Kawasaki
410321085
NIPPLE-SPOKE
Kawasaki
920641143
JET-PILOT,#48
Kawasaki
130341099
BEARING-BIG END,B4
Kawasaki