×
Genuine KL Kawasaki Parts delivered quickly!
home
KL250D8 KLR250 1991 USA CALIFORNIA CANADA
CYLINDER HEAD
24 products
CYLINDER HEAD COVER
7 products
CYLINDER/PISTON
21 products
AIR FILTER
18 products
MUFFLER
21 products
VALVE
17 products
CAMSHAFT/TENSIONER
20 products
CRANKSHAFT
16 products
BALANCER
15 products
KICKSTARTER MECHANISM
25 products
CLUTCH
17 products
TRANSMISSION
29 products
CHANGE DRUM/SHIFT FORK
10 products
GEAR CHANGE MECHANISM
10 products
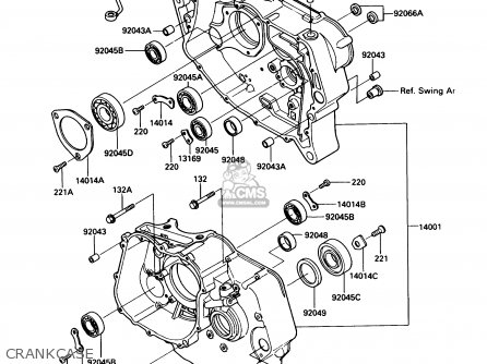
CRANKCASE
29 products
ENGINE COVER
31 products
CARBURETOR
50 products
CANISTER(CA)
22 products
OIL PUMP
21 products
GENERATOR
7 products
IGNITION COIL
13 products
WATER PUMP
16 products
RADIATOR
35 products
FRAME
22 products
FRAME FITTING
12 products
SWING ARM
17 products
SUSPENSION
15 products
STEP
21 products
FENDER
19 products
STAND
6 products
TIRE
14 products
FRONT HUB
14 products
REAR HUB
28 products
BRAKE PEDAL
13 products
SHOCK ABSORBER
3 products
FRONT MASTER CYLINDER(KL250-D8/D9)
23 products
FRONT CALIPER
15 products
HANDLEBAR
29 products
FRONT FORK
32 products
FUEL TANK(KL250-D8/D9)
22 products
SEAT
3 products
METER
27 products
CABLE
9 products
SIDE COVER/CHAIN CASE
18 products
HEAD LAMP
20 products
TAIL LAMP
20 products
TURN SIGNAL
8 products
ELECTRICAL EQUIPMENT
18 products
IGNITION SWITCH(KL250-D8/D9)
18 products
TOOL
14 products
LABEL
11 products
DECAL(WHITE)(KL250-D8/D9)
7 products
ACCESSORY
2 products
Publications
0 products
Model Identification
0 products
up
popular products
120531126
GUIDE-CHAIN,RR
Kawasaki
130241068
RING-SET-PISTON LL,O/
Kawasaki
13070011
GUIDE,KICKSTARTER SPR
Kawasaki
920591539
TUBE,6.5X9.5X410
Kawasaki