×
Genuine KH Kawasaki Parts delivered quickly!
home
KH125K6 1991 UNITED KINGDOM
CYLINDER HEAD/CYLINDER
9 products
AIR FILTER
12 products
MUFFLER
14 products
CRANKSHAFT/PISTON
27 products
KICKSTARTER MECHANISM
21 products
CLUTCH
25 products
TRANSMISSION
24 products
CHANGE DRUM/SHIFT FORK
16 products
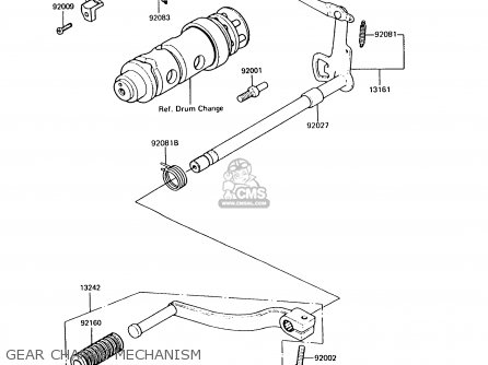
GEAR CHANGE MECHANISM
17 products
CRANKCASE
28 products
ENGINE COVER
32 products
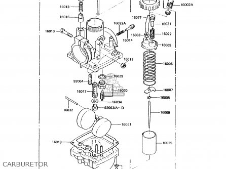
CARBURETOR
39 products
OIL PUMP
22 products
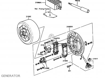
GENERATOR
12 products
IGNITION COIL
4 products
FRAME
6 products
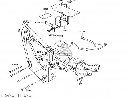
FRAME FITTING
10 products
SWING ARM/SHOCK ABSORBER
22 products
STEP
17 products
FENDER
14 products
STAND
4 products
TIRE
12 products
FRONT HUB
17 products
REAR HUB
30 products
BRAKE PEDAL
17 products
FRONT MASTER CYLINDER
20 products
FRONT CALIPER
13 products
HANDLEBAR
21 products
FRONT FORK
29 products
FUEL TANK
21 products
OIL TANK
13 products
SEAT
12 products
METER
17 products
CABLE
11 products
SIDE COVER/CHAIN CASE
10 products
HEAD LAMP
17 products
TAIL LAMP
18 products
TURN SIGNAL
13 products
ELECTRICAL EQUIPMENT
16 products
IGNITION SWITCH
15 products
TOOL
14 products
LABEL
12 products
Publications
0 products
Model Identification
0 products
up
popular products
16022007
SPRING-THR STOP SCREW
Kawasaki
34025008
SPRING,SIDE STAND
Kawasaki
130331008
BEARING-NEEDLE,KBK15X
Kawasaki
92055010
RING-O,100MM
Kawasaki