×
Genuine KE Kawasaki Parts delivered quickly!
home
KE100B2 1983 EUROPE UK
PUBLICATIONS
0 products
MODEL IDENTIFICATION
0 products
TRANSMISSION
26 products
CHANGE DRUM/SHIFT FORK
16 products
CYLINDER HEAD/CYLINDER (UNITED KINGOOM)
8 products
AIR FILTER
8 products
MUFFLER
13 products
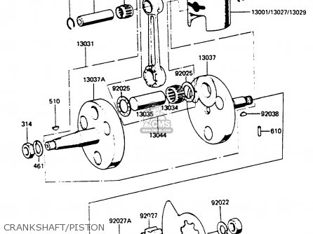
CRANKSHAFT/PISTON
27 products
KICKSTARTER MECHANISM
15 products
CLUTCH (UNITED KINGDOM)
26 products
OIL PUMP (UNITED KINGDOM)
19 products
GENERATOR (UNITED KINGDOM)
12 products
GEAR CHANGE MECHANISM
17 products
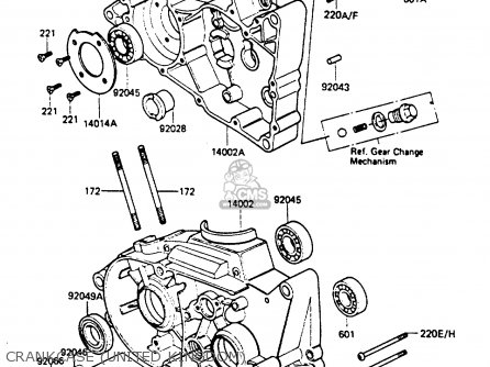
CRANKCASE (UNITED KINGDOM)
28 products
ENGINE COVER
30 products
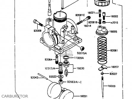
CARBURETOR
40 products
IGNITION COIL
4 products
FRONT HUB
25 products
REAR HUB
29 products
BRAKE PEDAL
19 products
HANDLEBAR
24 products
FRONT FORK
23 products
FRAME
9 products
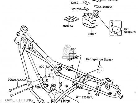
FRAME FITTING
13 products
SWING ARM/SHOCK ABSORBER
24 products
STEP
8 products
FENDER
18 products
STAND
4 products
TIRE
13 products
TAIL LAMP (UNITED KINGDOM)
19 products
TURN SIGNAL (UNITED KINGDOM)
12 products
FUEL TANK
22 products
OIL TANK
9 products
SEAT
12 products
METER
16 products
CABLE
12 products
SIDE COVER/CHAIN CASE
7 products
HEAD LAMP (UNITED KINGDOM)
14 products
ELECTRICAL EQUIPMENT
11 products
IGNITION SWITCH
15 products
TOOL (KE100-B2/B3/B4/B5)
13 products
LABEL
8 products
up
popular products
92081047
SPRING,COIL
Kawasaki
11013029
ELEMENT-AIR FILTER
Kawasaki
16006013
SPRING-THROTTLE VALVE
Kawasaki
260011007
HARNESS,TAIL LAMP
Kawasaki